To the top of the document
Kalos/Aveo
To Previous PageTo Next Page
GMDE Start PageLoad static TOCLoad dynamic TOCHelp?

TROUBLE CODE DIAGNOSIS (1.2L SOHC)

Clearing Trouble Codes

Notice : To prevent Engine Control Module (ECM) damage, the key must be OFF when disconnecting or reconnecting the power to the ECM (for example battery cable, ECM pigtail connector, ECM fuse, jumper cables, etc.).When the ECM sets a Diagnostic Trouble Code (DTC), the Malfunction Indicator Lamp (MIL) lamp will be turned on only for type A, B and E but a DTC will be stored in the ECM's memory for all types of DTC. If the problem is intermittent, the MIL will go out after 10 seconds if the fault is no longer present. The DTC will stay in the ECM's memory until cleared by scan tool. Removing battery voltage for 10 seconds will clear some stored DTCs.

DTCs should be cleared after repairs have been completed. Some diagnostic tables will tell you to clear the codes before using the chart. This allows the ECM to set the DTC while going through the chart, which will help to find the cause of the problem more quickly.

Diagnostic Trouble Codes (1.2L SOHC)

DTC
Function
Error Type
Illuminate MIL
P0030
HO2S (Sensor 1) Heater Circuit Not Functioning
E
YES
P0036
HO2S (Sensor 2) Heater Circuit Not Functioning
E
YES
P0107
Manifold Absolute Pressure Sensor Low Voltage
A
YES
P0108
Manifold Absolute Pressure Sensor High Voltage
A
YES
P0112
Intake Air Temperature Sensor Low Voltage
E
YES
P0113
Intake Air Temperature Sensor High Voltage
E
YES
P0117
Engine Coolant Temperature Sensor Low Voltage
A
YES
P0118
Engine Coolant Temperature Sensor High Voltage
A
YES
P0122
Throttle Position Sensor Low Voltage
A
YES
P0123
Throttle Position Sensor High Voltage
A
YES
P0131
HO2S (Sensor 1) Low Voltage
A
YES
P0132
HO2S (Sensor 1) High Voltage
A
YES
P0133
HO2S (Sensor 1) Poor Performance
E
YES
P0137
HO2S (Sensor 2) Low Voltage
E
YES
P0138
HO2S (Sensor 2) High Voltage
E
YES
P0140
HO2S (Snesor 2) Circuit or Signal Fault
E
YES
P0171
Fuel Trim System Too Lean
E
YES
P0172
Fuel Trim System Too Rich
E
YES
P0222
Main Throttle Idle Actuator (MTIA) Low Voltage
E
YES
P0223
Main Throttle Idle Actuator (MTIA) High Voltage
E
YES
P0261
Injector 1 Low Voltage
A
YES
P0262
Injector 1 High Voltage
A
YES
P0264
Injector 2 Low Voltage
A
YES
P0265
Injector 2 High Voltage
A
YES
P0267
Injector 3 Low Voltage
A
YES
P0268
Injector 3 High Voltage
A
YES
P0270
Injector 4 Low Voltage
A
YES
P0271
Injector 4 High Voltage
A
YES
P0300
Multiple Cylinder Misfire Detected
E
YES
P0327
Knock Sensor Circuit Fault
Cnl
NO
P0335
Crankshaft Position Sensor Electrical Error
E
YES
P0336
Crankshaft Position Sensor Pulse Error
E
YES
P0337
Crankshaft Position Sensor No Signal
E
YES
P0341
Camshaft Position Sensor Rationality
E
YES
P0342
Camshaft Position Sensor No Signal
E
YES
P0351
Ignition Control Circuit 1 and 4 Fault
A
YES
P0352
Ignition Control Circuit 2 and 3 Fault
A
YES
P0400
Exhaust Gas Recirculation Flow Out of Limit
E
YES
P0401
Exhaust Gas Recirculation Blocked
E
YES
P0403
EGR Valve Circuit Failure
E
YES
P0404
Exhaust Gas Recirculation Valve Failure
E
YES
P0405
EGR FeedBack Circuit Low Voltage or Open
E
YES
P0406
EGR FeedBack Circuit High Voltage or Line Break
E
YES
P0420
Lower Catalyst Efficiency
E
YES
P0444
EVAP Purge Control Circuit No Signal
E
YES
P0445
EVAP Purge Control Circuit Fault
E
YES
P0462
Fuel Level Sensor Low Voltage
Cnl
NO
P0463
Fuel Level Sensor High Voltage
Cnl
NO
P0480
Low Speed Cooling Fan Relay Circuit Fault
E
YES
P0481
High Speed Cooling Fan Relay High Voltage
E
YES
P0501
Vehicle Speed No Signal (M/T only)
A
YES
P0510
Throttle Position Switch Circuit Fault
E
YES
P0562
System Voltage Too Low
Cnl
NO
P0563
System Voltage Too High
Cnl
NO
P0601
Engine Control Module Check - Sum Error
E
YES
P0604
Engine Control Module RAM Error
E
YES
P0605
Engine Control Module Write Error
E
YES
P0628
Fuel Pump Relay Low Voltage
Cnl
NO
P0629
Fuel Pump Relay High Voltage
Cnl
NO
P0650
Malfunction Indicator Lamp Low Voltage
E
YES
P0656
Fuel Level Output Circuit Malfunction
Cnl
NO
P1390
Rough Road Sensor Circuit Fault
Cnl
NO
P1396
ABS Rough Road Data Invalid
Cnl
NO
P1535
Evaporator Temperature Sensor High Voltage
Cnl
NO
P1536
Evaporator Temperature Sensor Low Voltage
Cnl
NO
P1610
Main Relay High Voltage
Cnl
NO
P1611
Main Relay Low Voltage
Cnl
NO
P1628
Immobilizer No Successful Communication
Cnl
NO
P1629
Immobilizer Wrong Computation
Cnl
NO
P1650
Malfunction Indicator Lamp High Voltage
E
YES
P2101
Idle Charge Actuator Circuit Fault
E
YES
P2118
Idle Charge Actuator Mechanical Error
E
YES
P2119
Idle Charge Actuator Functional Error
E
YES

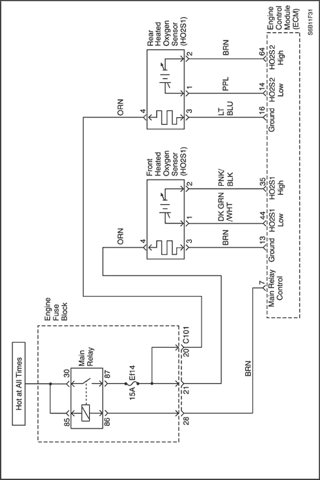
S6B11F31
Display graphicTranslations of text in graphics


Diagnostic Trouble Code (DTC)

P0030 H02S (Sensor 1) Heater Circuit Not Functioning

P0036 H02S (Sensor 2) Heater Circuit Not Functioning

Circuit Description

Heated oxygen sensors are used for fuel control and post catalyst monitoring. Each HO2S compares the oxygen content of the surrounding air with the oxygen content of the exhaust stream. When the vehicle is first started, the engine control module (ECM) operates in an open loop mode, ignoring the HO2S signal voltage when calculating the air fuel ratio. The ECM supplies the HO2S with a reference voltage of about 0.45V. The HO2S generates a voltage within a range of 0~1V that fluctuates above and below bias voltage once in closed loop. A high HO2S voltage output indicates a rich fuel mixture. A low HO2S voltage output indicates a lean mixture. Heating elements inside the HO2S minimize the time required for the sensors to reach operating temperature, and then provide an accurate voltage signal. The ECM controls the HO2S heater low control circuit with a low side driver. The HO2S heater diagnostic monitors the current draw through the HO2S low side driver when the engine is running. If the ECM detects that the HO2S heater low control circuit current exceeds a calibrated amount, this DTC will set.

Conditions for Running the DTC

Conditions for Setting the DTC

Action Taken When the DTC Sets

Conditions for Clearing the MIL/DTC

Diagnostic Aids

The number(s) below refer to step(s) on the diagnostic table.
  1. This step is testing the heater control circuit for high resistance. If the voltage is more than the specified value, test the circuit for high resistance.

DTC P0030 - H02S (Sensor 1) Heater Circuit Not Functioning

DTC P0036 - H02S (Sensor 2) Heater Circuit Not Functioning

StepActionValue(s)YesNo
1
Perform the Diagnostic System Check.
Is the system check complete?
-
Go to Step 2
Go to "Diagnostic System Check"
2
  1. Start the engine.
  2. Allow the engine to reach the normal operating temperature.
  3. Observe the DTC Information with a scan tool.
Did the DTC fail this ignition?
-
Go to Step 4
Go to Step 3
3
  1. Observe the Freeze Frame/Failure Records for this DTC.
  2. Turn OFF the ignition for 30 seconds.
  3. Start the engine.
  4. Operate the vehicle within the Conditions for Running the DTC. You may also operate the vehicle within the conditions that you observed from the Freeze Frame/Failure Records.
Did the DTC fail this ignition?
-
Go to Step 4
Go to "Intermittents"
4
  1. Turn OFF the ignition.
  2. Disconnect the fuse that supplies battery voltage to the heated oxygen sensor (HO2S) heater.
  3. Disconnect the harness connector of the affected HO2S.
  4. Measure the resistance of the battery voltage circuit of the HO2S heater from the fuse terminal to the harness connector terminal of the HO2S heater.
Is the resistance less than the specified value?
3 Ω
Go to Step 5
Go to Step 9
5
  1. Start the engine.
  2. Probe the control circuit of the HO2S heater with a test lamp connected to battery positive voltage.
  3. Measure the voltage from the probe of the test lamp to a good ground.
Is the voltage less than the specified value?
0.3 V
Go to Step 7
Go to Step 6
6
Test the control circuit of the HO2S heater for high resistance.
Did you find and correct the condition?
-
Go to Step 12
Go to Step 8
7
Test for shorted terminals and poor connections at the HO2S.
Did you find and correct the condition?
-
Go to Step 12
Go to Step 10
8
Test for shorted terminals and poor connections at the engine control module (ECM).
Did you find and correct the condition?
-
Go to Step 12
Go to Step 11
9
Repair the high resistance in the battery voltage circuit of the HO2S heater.
Did you complete the repair?
-
Go to Step 12
-
10
Replace the appropriate HO2S.
Did you complete the replacement?
-
Go to Step 12
-
11
Replace the ECM.
Did you complete the replacement?
-
Go to Step 12
-
12
  1. Clear the DTCs with a scan tool.
  2. Turn OFF the ignition for 30 seconds.
  3. Start the engine.
  4. Operate the vehicle within the Conditions for Running the DTC. You may also operate the vehicle within the conditions that you observed from the Freeze Frame/Failure Records.
Did the DTC fail this ignition?
-
Go to Step 2
Go to Step 13
13
Check if any additional DTCs are set.
Are there any DTCs that have not been diagnosed?
-
Go to applicable DTC table
System OK

S6B11F23
Display graphicTranslations of text in graphics


Diagnostic Trouble Code (DTC)

P0107 Manifold Absolute Pressure Sensor Low Voltage

P0108 Manifold Absolute Pressure Sensor High Voltage

Circuit Description

The engine control module (ECM) uses the Manifold Absolute Pressure (MAP) sensor to control the fuel delivery and the ignition timing. The MAP sensor measures the changes in the intake manifold pressure, which results from engine load (intake manifold vacuum) and the rpm changes; and converts these into voltage outputs. The ECM sends a 5 volt-reference voltage to the MAP sensor. As the manifold pressure changes, the output voltage of the MAP sensor also changes. By monitoring the MAP sensor output voltage, the ECM knows the manifold pressure. A low-pressure (low voltage) output voltage will be about 1.0 to 1.5 volts at idle, while higher pressure (high voltage) output voltage will be about 4.5 to 4.8 at wide open throttle (WOT). The MAP sensor is metric pressure, allowing the ECM to make adjustments for different altitudes.

Conditions for Running the DTC

(P0107)
or
(P0108)

Conditions for Setting the DTC

(P0107)
(P0108)

Action Taken When the DTC Sets

Conditions for Clearing the MIL/DTC

Diagnostic Aids

With the ignition ON and the engine stopped, the manifold pressure is equal to atmosphere pressure and the signal voltage will be high.
The ECM as an indication of vehicle altitude uses this information. Comparison of this reading with a known good vehicle with the same sensor is a good way to check the accuracy of a suspect sensor. Readings should be the same ± 0.4volt.
If this DTC is intermittent, refer to "Manifold Absolute Pressure Check" in this section for further diagnosis.
If the connections are OK, monitor the manifold absolute pressure (MAP) sensor signal voltage while moving related connectors and the wiring harness. If the failure is induced, the display on the scan tool will change. This may help to isolate the location of an intermittent malfunction.

DTC P0107 - Manifold Absolute Pressure Sensor Low Voltage

DTC P0108 - Manifold Absolute Pressure Sensor High Voltage

StepActionValue(s)YesNo
1
Perform the Diagnostic System Check.
Is the system check complete?
-
Go to Step 2
Go to "Diagnostic System Check"
2
  1. Connect the scan tool to the data link connector (DLC).
  2. Turn the ignition switch to ON.
Does the scan tool show the manifold absolute pressure (MAP) sensor voltage above the value specified?
4V
Go to Step 3
Go to Step 4
3
  1. Disconnect the the MAP sensor.
  2. Apply 68 kPa (20 inHg) of vacuum to the MAP sensor.
Does the scan tool show the MAP sensor voltage within the value specified?
1.0-1.5V
Go to "Diagnostic Aids"
Go to Step 4
4
  1. Turn the ignition switch to LOCK.
  2. Disconnect the MAP sensor connector.
  3. Turn the ignition switch to ON.
  4. Measure the voltage between the MAP sensor connector terminals 1 and 3.
Does the voltage measure within the value specified?
4.5-5.5V
Go to Step 5
Go to Step 6
5
Connect a fused jumper between the MAP sensor connector terminals 2 and 3.
Does the scan tool show the MAP sensor voltage above the value specified?
4V
Go to Step 11
Go to Step 9
6
Measure the voltage between the MAP sensor connector terminal 1 and ground.
Does the voltage measure within the value specified?
4.5-5.5V
Go to Step 7
Go to Step 8
7
  1. Turn the ignition switch to LOCK.
  2. Check for an open, short to ground, or short to battery voltage in the wire between the MAP sensor connector terminal 1 and the ECM connector terminal 13.
Is the problem found?
-
Go to Step 10
Go to Step 12
8
  1. Turn the ignition switch to LOCK.
  2. Check for an open, short to ground, or short to battery voltage in the wire between the MAP sensor connector terminal 3 and the ECM connector terminal 50.
Is the problem found ?
-
Go to Step 10
Go to Step 12
9
  1. Turn the ignition switch to LOCK.
  2. Check for an open, short to ground, or short to battery voltage in the wire between the MAP sensor connector terminal 2 and the ECM connector terminal 75.
Is the problem found ?
-
Go to Step 10
Go to Step 12
10
  1. Repair the wire or the connector terminal as needed.
  2. Clear any DTCs from the ECM.
  3. Perform the diagnostic system check.
Is the repair complete?
-
System OK
-
11
  1. Replace the Manifold Absolute Pressure (MAP) sensor.
  2. Clear any DTCs from the ECM.
  3. Perform the diagnostic system check.
Is the replacement complete?
-
System OK
-
12
Replace the ECM.
Is the replacement complete?
-
Go to Step 13
Go to Step 2
13
Check if any additional DTCs are set.
Are any DTCs displaced that have not been diagnosed?
-
Go to applicable DTC table
System OK

S6B11F32
Display graphicTranslations of text in graphics


Diagnostic Trouble Code (DTC) P0112

Intake Air Temperature Sensor Low Voltage

Circuit Description

The Intake Air Temperature (IAT) Sensor uses a thermistor to control the signal voltage to the engine control module (ECM). The ECM supplies a 5 volt reference voltage and a ground to the sensor. When the air is cold, the resistance is high ; therefore IAT sensor signal voltage will be high. If the intake air is warm, resistance is low ; therefore the IAT sensor signal voltage will be low.

Conditions for Running the DTC

Conditions for Setting the DTC

Action Taken When the DTC Sets

Conditions for Clearing the MIL/DTC

Diagnostic Aids

DTC P0112 - Intake Air Temperature Sensor Low Voltage

StepActionValue(s)YesNo
1
Perform the Diagnostic System Check.
Is the system check complete?
-
Go to Step 2
Go to "Diagnostic System Check"
2
  1. Connect the scan tool to the data link connector(DLC).
  2. Run the engine until it reaches operating temperature.
Does the scan tool show the IAT sensor reading within the value specified?
15~80°C (60~176°F)
Go to "Diagnostic Aids"
Go to Step 3
3
  1. Turn the ignition switch to LOCK.
  2. Disconnect the IAT sensor connector.
  3. Turn the ignition switch to ON.
Does the scan tool show the IAT sensor reading below the value specified?
-30°C (-22°F)
Go to Step 4
Go to Step 5
4
Check for a faulty IAT sensor connector or connector terminals.
Is the problem found?
-
Go to Step 7
Go to Step 6
5
Check for a short to ground in the wire between the IAT connector terminal 1 and the ECM connector terminal 78.
Is the problem found?
-
Go to Step 7
Go to Step 6
6
Check for a short to 5V reference voltage in the wire between the IAT sensor connector terminal 2 and the ECM connector terminal 13.
Is the problem found?
-
Go to Step 7
Go to Step 9
7
  1. Turn the ignition switch to LOCK.
  2. Repair the wire or the connector terminal as needed.
  3. Clear any DTCs from the ECM.
  4. Run the engine until it reaches operating temperature.
  5. Perform the diagnostic system check.
Is the repair complete?
-
System OK
-
8
  1. Turn the ignition switch to LOCK.
  2. Replace the IAT sensor.
  3. Clear any DTCs from the ECM.
  4. Run the engine until it reaches operating temperature.
  5. Perform the diagnostic system check.
Is the repair complete?
-
System OK
-
9
  1. Turn the ignition switch to LOCK.
  2. Replace the engine control module(ECM).
  3. Run the engine until it reaches operating temperature.
  4. Perform the diagnostic system check.
Is the repair complete?
-
Go to Step 10
-
10
Check if any additional DTCs are set.
Are any DTCs displaced that have not been diagnosed?
-
Go to the applicable DTC table
System OK

S6B11F32
Display graphicTranslations of text in graphics


Diagnostic Trouble Code (DTC) P0113

Intake Air Temperature Sensor High Voltage

Circuit Description

The Intake Air Temperature (IAT) Sensor uses a thermistor to control the signal voltage to the engine control module (ECM). The ECM supplies a 5 volt reference voltage and a ground to the sensor . when the air is cold, the resistance is high ; therefore IAT sensor signal voltage will be high. If the intake air is warm, resistance is low ; therefore the IAT sensor signal voltage will be low.

Conditions for Running the DTC

Conditions for Setting the DTC

Action Taken When the DTC Sets

Conditions for Clearing the MIL/DTC

Diagnostic Aids

DTC P0113 - Intake Air Temperature Sensor High Voltage

StepActionValue(s)YesNo
1
Perform the Diagnostic System Check.
Is the system check complete?
-
Go to Step 2
Go to "Diagnostic System Check"
2
  1. Connect the scan tool to the data link connector (DLC).
  2. Run the engine unit it reaches operating temperature.
Does the scan tool show the intake air temperature (IAT) sensor reading within the value specified?
15~80°C (60~176°F)
Go to "Diagnostic Aids"
Go to Step 3
3
  1. Turn the ignition switch to LOCK.
  2. Disconnect the IAT sensor connector.
  3. Jumper the IAT sensor connector terminal 1 and 2.
  4. Turn the ignition switch to ON.
Does the scan tool show the IAT sensor reading above the value specified?
120°C (248°F)
Go to Step 4
Go to Step 5
4
Check for a faulty IAT sensor connector or connector terminals.
Is the problem found?
-
Go to Step 10
Go to Step 9
5
Measure the voltage between the IAT sensor connector terminal 1 and 2.
Does the voltage measure within the value specified?
4.5~5.5V
Go to Step 11
Go to Step 6
6
Measure the voltage between the IAT sensor connector terminal 1 and the ground.
Does the voltage measure within the value specified?
4.5~5.5V
Go to Step 7
Go to Step 8
7
  1. Turn the ignition switch to LOCK.
  2. Check for an open or short to battery voltage in the wire between the IAT sensor connector terminal 2 and the ECM connector terminal 13.
Is the problem found?
-
Go to Step 10
Go to Step 11
8
  1. Turn the ignition switch to LOCK.
  2. Check for an open or short to battery voltage in the wire between the IAT sensor connector terminal 1 and the ECM connector terminal 78.
Is the problem found?
-
Go to Step 10
Go to Step 11
9
  1. Turn the ignition switch to LOCK.
  2. Replace the IAT sensor.
  3. Clear any DTCs from the ECM.
  4. Perform the diagnostic system check.
Is the repair complete?
-
System OK
-
10
  1. Turn the ignition switch to LOCK.
  2. Repair the wire or the connector terminals as needed.
  3. Clear any DTCs from the ECM.
  4. Perform the diagnostic system check.
Is the repair complete?
-
System OK
-
11
  1. Replace the ECM.
  2. Perform the diagnostic system check.
Is the repair complete?
-
Go to Step 12
-
12
Check if any additional DTCs are set.
Are any DTCs displaced that have not been diagnosed?
-
Go to applicable DTC table
System OK

S6B11F33
Display graphicTranslations of text in graphics


Diagnostic Trouble Code (DTC) P0117

Engine Coolant Temperature Sensor Low Voltage

Circuit Description

The Engine Coolant Temperature (ECT) sensor uses a thermistor to control the signal voltage to the engine control module (ECM).
The ECM supplies a voltage on the signal circuit to the sensor. When the engine coolant is cold, the resistance is high; therefore the ECT signal voltage will be high.
As the engine warms, the sensor resistance becomes low, and the voltage drops. At normal engine operating temperature, the voltage will be between 1.5 and 2.0 volts at the ECT signal terminal.
The ECT sensor is used to the following items:

Conditions for Running the DTC

Conditions for Setting the DTC

Action Taken When the DTC Sets

Conditions for Clearing the MIL/DTC

Diagnostic Aids

After the engine has started, the ECT should rise steadily to about 90°C (194°F) then stabilize when the thermostat opens.
Use the temperature vs. Resistance values table to evaluate the possibility of a skewed sensor. Refer to "Temperature vs. Resistance" in this section.

DTC P0117 - Engine Coolant Temperature Sensor Low Voltage

StepActionValue(s)YesNo
1
Perform the Diagnostic System Check.
Is the system check complete?
-
Go to Step 2
Go to "Diagnostic System Check"
2
  1. Connect the scan tool to the data link connector(DLC).
  2. Run the engine until it reaches operating temperature.
Does the scan tool show the ECT sensor reading within the value specified?
80~110°C (176~230°F)
Go to "Diagnostic Aids"
Go to Step 3
3
  1. Turn the ignition switch to LOCK.
  2. Disconnect the ECT sensor connector.
  3. Turn the ignition switch to ON.
Does the scan tool show the ECT sensor reading below the value specified?
-30°C (-22°F)
Go to Step 4
Go to Step 5
4
Check for a faulty ECT sensor connector or connector terminals.
Is the problem found?
-
Go to Step 7
Go to Step 6
5
Check for a short to ground in the wire between the ECT connector terminal 1 and the ECM connector terminal 76.
Is the problem found?
-
Go to Step 7
Go to Step 6
6
Check for a short to 5V reference voltage between the ECT sensor connector terminal 2 and the ECM connector terminal 19.
Is the problem found?
-
Go to Step 7
Go to Step 9
7
  1. Turn the ignition switch to LOCK.
  2. Repair the wire or the connector terminal as needed.
  3. Clear any DTCs from the ECM.
  4. Run the engine until it reaches operating temperature.
  5. Perform the diagnostic system check.
Is the repair complete?
-
System OK
-
8
  1. Turn the ignition switch to LOCK.
  2. Replace the ECT sensor.
  3. Clear any DTCs from the ECM.
  4. Run the engine until it reaches operating temperature.
  5. Perform the diagnostic system check.
Is the repair complete?
-
System OK
-
9
  1. Turn the ignition switch to LOCK.
  2. Replace the engine control module(ECM).
  3. Run the engine until it reaches operating temperature.
  4. Perform the diagnostic system check.
Is the repair complete?
-
Go to Step 10
-
10
Check if any additional DTCs are set.
Are any DTCs displaced that have not been diagnosed?
-
Go to the applicable DTC table
System OK

S6B11F33
Display graphicTranslations of text in graphics


Diagnostic Trouble Code (DTC) P0118

Engine Coolant Temperature Sensor High Voltage

Circuit Description

The Engine Coolant Temperature (ECT) uses a thermistor to control the signal voltage to the engine control module (ECM).
The ECM supplies a voltage on the signal circuit to the sensor. When the engine coolant is cold, the resistance is high; therefore the ECT sensor signal voltage will be high.
As the engine warms, the sensor resistance becomes low, and the voltage drops. At normal engine operating temperature, the voltage will be between 1.5 and 2.0 volts at the ECT signal terminal.
The ECT sensor is used to the following items:

Conditions for Running the DTC

Conditions for Setting the DTC

Action Taken When the DTC Sets

Conditions for Clearing the MIL/DTC

Diagnostic Aids

After the engine has started, the ECT should rise steadily to about 90°C (194°F) then stabilize when the thermostat opens.
Use the temperature vs. Resistance values table to evaluate the possibility of a skewed sensor. Refer to "Temperature vs. Resistance" in this section.

DTC P0118 - Engine Coolant Temperature Sensor High Voltage

StepActionValue(s)YesNo
1
Perform the Diagnostic System Check.
Is the system check complete?
-
Go to Step 2
Go to "Diagnostic System Check"
2
  1. Connect the scan tool to the data link connector (DLC).
  2. Run the engine unit it reaches operating temperature.
Does the scan tool show the ECT sensor reading within the value specified?
80~110°C (176~230°F)
Go to "Diagnostic Aids"
Go to Step 3
3
  1. Turn the ignition switch to LOCK.
  2. Disconnect the ECT sensor connector.
  3. Jumper the ECT sensor connector terminal 1 and 2.
  4. Turn the ignition switch to ON.
Does the scan tool show the ECT sensor reading above the value specified?
120°C (248°F)
Go to Step 4
Go to Step 5
4
Check for a faulty ECT sensor connector or connector terminals.
Is the problem found?
-
Go to Step 10
Go to Step 9
5
Measure the voltage between the ECT sensor connector terminal 1 and 2.
Does the voltage measure within the value specified?
4.5~5.5V
Go to Step 11
Go to Step 6
6
Measure the voltage between the ECT sensor connector terminal 1 and the ground.
Does the voltage measure within the value specified?
4.5~5.5V
Go to Step 7
Go to Step 8
7
  1. Turn the ignition switch to LOCK.
  2. Check for an open or short to battery voltage in the wire between the ECT sensor connector terminal 2 and the ECM connector terminal 19.
Is the problem found?
-
Go to Step 10
Go to Step 11
8
  1. Turn the ignition switch to LOCK.
  2. Check for an open or short to battery voltage in the wire between the ECT sensor connector terminal 1 and the ECM connector terminal 76.
Is the problem found?
-
Go to Step 10
Go to Step 11
9
  1. Turn the ignition switch to LOCK.
  2. Replace the ECT sensor.
  3. Clear any DTCs from the ECM.
  4. Perform the diagnostic system check.
Is the repair complete?
-
System OK
-
10
  1. Turn the ignition switch to LOCK.
  2. Repair the wire or the connector terminals as needed.
  3. Clear any DTCs from the ECM.
  4. Perform the diagnostic system check.
Is the repair complete?
-
System OK
-
11
  1. Replace the ECM.
  2. Perform the diagnostic system check.
Is the repair complete?
-
Go to Step 12
-
12
Check if any additional DTCs are set.
Are any DTCs displaced that have not been diagnosed?
-
Go to applicable DTC table
System OK

S6B11F25
Display graphicTranslations of text in graphics


Diagnostic Trouble Code (DTC) P0122

Throttle Position Sensor Low Voltage

Circuit Description

The Engine Control Module (ECM) supplies a 5 volt reference voltage signal and a ground to the Throttle Position (TP) sensor. The TP sensor sends a voltage signal back to the ECM relative to the throttle plate opening. The voltage signal will vary from approximately 0.33 volts at closed throttle, to over 4.3 volts at Wide Open Throttle (WOT).
The TP signal is used by the ECM for fuel control and for most of the ECM controlled outputs. The TP signal is one of the most important inputs used by the ECM for fuel control and most of the ECM controlled outputs.

Conditions for Running the DTC

Conditions for Setting the DTC

Action Taken When the DTC Sets

Conditions for Clearing the MIL/DTC

Test Description

The number(s) below refer to step(s) on the diagnostic table.
  1. If the DTC cannot be duplicated, the information included in the Freeze Frame data can be useful. Use the scan tool information to determine the status of the DTC. If the DTC occurs intermittently, using intermittents may isolate the condition.
  2. This step determines if there is a short to ground or an open condition in the circuits.
  3. The 5-volt reference circuits are internally and externally connected at the controller. Other sensors that share the 5-volt reference circuit may also have DTCs set. Disconnecting a sensor on the shared 5-volt reference circuit may isolate a shorted sensor. Review the electrical schematic and diagnose the shared circuits and sensors.
  4. The ECM and/or the TP sensor may be damaged if the low reference circuit is shorted to battery positive voltage.

DTC P0122 - Throttle Position Sensor Low Voltage

StepActionValue(s)YesNo
1
Perform the Diagnostic System Check.
Is the system check complete?
-
Go to Step 2
Go to "Diagnostic System Check"
2
  1. Turn ON the ignition, with the engine OFF.
  2. Depress the accelerator pedal to the wide open throttle (WOT) position while monitoring the throttle position (TP) angle on the scan tool.
Does the TP sensor angle increase from below the first specified value to above the second specified value?
15%
85%
Go to Step 3
Go to Step 4
3
  1. Observe the Freeze Frame/Failure Records for this DTC.
  2. Turn OFF the ignition for 30 seconds.
  3. Start the engine.
  4. Operate the vehicle within the Conditions for Running the DTC. You may also operate the vehicle within the conditions that you observed from the Freeze Frame/Failure Records.
Did the DTC fail this ignition?
-
Go to Step 4
Go to "Intermittents"
4
  1. Turn OFF the ignition.
  2. Disconnect the MTIA connector.
  3. Turn ON the ignition, with the engine OFF.
  4. Measure the voltage from the 5-volt reference circuit of the TP sensor to a good ground with a DMM.
Is the voltage more than the specified value?
4.8 V
Go to Step 5
Go to Step 7
5
  1. Connect a 3-amp fused jumper wire between the 5-volt reference circuit and the signal circuit of the TP sensor.
  2. Observe the TP sensor percentage parameter with a scan tool.
Is the percentage more than the specified value?
85%
Go to Step 6
Go to Step 8
6
Measure the resistance between the low reference circuit of the TP sensor and the engine control module (ECM) housing with a DMM.
Is the resistance less than the specified value?
2 Ω
Go to Step 10
Go to Step 9
7
Test the 5-volt reference circuit of the TP sensor for the following conditions:
  • An open
  • A short to ground
  • High resistance
Did you find and correct the condition?
-
Go to Step 14
Go to Step 11
8
Test the signal circuit of the TP sensor for the following conditions:
  • An open
  • A short to ground
  • High resistance
Did you find and correct the condition?
-
Go to Step 14
Go to Step 11
9
Test the low reference circuit of the TP sensor for the following conditions:
  • An open
  • High resistance
  • A short to voltage
Did you find and correct the condition?
-
Go to Step 14
Go to Step 11
10
Test for an intermittent and for a poor connection at the MTIA.
Did you find and correct the condition?
-
Go to Step 14
Go to Step 12
11
Test for an intermittent and for a poor connection at the ECM.
Did you find and correct the condition?
-
Go to Step 14
Go to Step 13
12
Replace the MTIA.
Did you complete the replacement?
-
Go to Step 14
-
13
Replace the ECM.
Did you complete the replacement?
-
Go to Step 14
-
14
  1. Clear the DTCs with a scan tool.
  2. Turn OFF the ignition for 30 seconds.
  3. Start the engine.
  4. Operate the vehicle within the Conditions for Running the DTC. You may also operate the vehicle within the conditions that you observed from the Freeze Frame/Failure Records.
Did the DTC fail this ignition?
-
Go to Step 2
Go to Step 15
15
Check if any additional DTCs are set.
Are there any DTCs that have not been diagnosed?
-
Go to applicable DTC table
System OK

S6B11F25
Display graphicTranslations of text in graphics


Diagnostic Trouble Code (DTC) P0123

Throttle Position Sensor High Voltage

Circuit Description

The Engine Control Module (ECM) supplies a 5 volt reference voltage signal and a ground to the Throttle Position (TP) sensor. The TP sensor sends a voltage signal back to the ECM relative to the throttle plate opening. The voltage signal will vary from approximately 0.33 volts at closed throttle, to over 4.3 volts at Wide Open Throttle (WOT).
The TP signal is used by the ECM for fuel control and for most of the ECM controlled outputs. The TP signal is one of the most important inputs used by the ECM for fuel control and most of the ECM controlled outputs.

Conditions for Running the DTC

Conditions for Setting the DTC

Action Taken When the DTC Sets

Conditions for Clearing the MIL/DTC

Test Description

The number(s) below refer to step(s) on the diagnostic table.
  1. This step determines if there is a short to voltage or an open condition in the circuits.
  2. The engine control module (ECM) and TP sensor may be damaged if the circuit is shorted to battery positive voltage.
  3. This step determines if the circuit has a short to voltage. A short to voltage can cause multiple DTCs to set. The 5-volt reference circuits are internally and externally connected at the controller. Other sensors that share the 5-volt reference circuit may also have DTCs set. Disconnecting a sensor on the shared 5-volt reference circuit may isolate a shorted sensor. Review the electrical schematic and diagnose the shared circuits and sensors.

DTC P0123 - Throttle Position Sensor High Voltage

StepActionValue(s)YesNo
1
Perform the Diagnostic System Check.
Is the system check complete?
-
Go to Step 2
Go to "Diagnostic System Check"
2
  1. Start the engine.
  2. Allow the engine to idle.
  3. Observe the TP sensor percentage parameter with a scan tool.
Is the percentage more than the specified value?
15%
Go to Step 4
Go to Step 3
3
  1. Observe the Freeze Frame/Failure Records for this DTC.
  2. Turn OFF the ignition for 30 seconds.
  3. Start the engine.
  4. Operate the vehicle within the Conditions for Running the DTC. You may also operate the vehicle within the conditions that you observed from the Freeze Frame/Failure Records.
Did the DTC fail this ignition?
-
Go to Step 4
Go to "Intermittents"
4
  1. Turn OFF the ignition.
  2. Disconnect the MTIA connector.
  3. Turn ON the ignition, with the engine OFF.
  4. Observe the TP sensor percentage parameter with a scan tool.
Is the percentage less than the specified value?
15%
Go to Step 5
Go to Step 7
5
Measure the voltage from the 5-volt reference circuit of the TP sensor to a good ground.
Does the voltage measure more than the specified value?
5.2 V
Go to Step 9
Go to Step 6
6
Measure the resistance between the low reference circuit of the TP sensor and the engine control module (ECM) housing with a DMM.
Is the resistance less than the specified value?
2 Ω
Go to Step 10
Go to Step 8
7
Test the signal circuit of the TP sensor for a short to voltage.
Did you find and correct the condition?
-
Go to Step 14
Go to Step 11
8
Test the low reference circuit of the TP sensor for the following conditions:
  • A short to voltage
  • An open
  • High resistance
Did you find and correct the condition?
-
Go to Step 14
Go to Step 11
9
Test the 5-volt reference circuit of the TP sensor for a short to voltage.
Did you find and correct the condition?
-
Go to Step 14
Go to Step 11
10
Test for an intermittent and for a poor connection at the MTIA.
Did you find and correct the condition?
-
Go to Step 14
Go to Step 12
11
Test for an intermittent and for a poor connection at the ECM.
Did you find and correct the condition?
-
Go to Step 14
Go to Step 13
12
Replace the MTIA.
Did you complete the replacement?
-
Go to Step 14
-
13
Replace the ECM.
Did you complete the replacement?
-
Go to Step 14
-
14
  1. Clear the DTCs with a scan tool.
  2. Turn OFF the ignition for 30 seconds.
  3. Start the engine.
  4. Operate the vehicle within the Conditions for Running the DTC. You may also operate the vehicle within the conditions that you observed from the Freeze Frame/Failure Records.
Did the DTC fail this ignition?
-
Go to Step 2
Go to Step 15
15
Check if any additional DTCs are set.
Are there any DTCs that have not been diagnosed?
-
Go to applicable DTC table
System OK


To Previous PageTo Next Page
© Copyright Chevrolet Europe. All rights reserved