To the top of the document
Kalos/Aveo
To Previous PageTo Next Page
GMDE Start PageLoad static TOCLoad dynamic TOCHelp?

S6B11F22
Display graphicTranslations of text in graphics


Main Relay Circuit Check (1.2L SOHC)

Circuit Description

When the ignition is turned ON or to the START position, the main relay is energized. The main relay then supply voltage to the engine fuse block fuse Ef13 and Ef14. The Evaporative Emission (EVAP) Canister Purge Solenoid, Exhaust Gas Recirculation (EGR) solenoid, Camshaft Position (CMP) Sensor, and Heated Oxygen Sensor (HO2S) are supplied voltage through the engine fuse block fuse Ef14. The fuel injectors are supplied voltage through the engine fuse block fuse Ef13.

Diagnostic Aids

Main Relay Circuit Check (1.2L SOHC)

StepActionValue(s)YesNo
1
  1. Turn the ignition OFF.
  2. Disconnect the engine fuse block fuse Ef13 and Ef14.
  3. Turn the ignition ON.
  4. With a test light connected to the ground, probe the fuse terminals nearest the main relay for fuse Ef13 and Ef14.
Is the light on at both terminals?
-
System OK
Go to Step 2
2
Is the test light on at only one terminal?
-
Go to Step 7
Go to Step 3
3
  1. Disconnect the main relay.
  2. Connect a test light between the main relay connector terminal 85 and ground.
Is the light on?
-
Go to Step 4
Go to Step 7
4
  1. Connect a test light between the main relay connector terminal 86 and battery voltage.
  2. Turn the ignition ON.
Is the light on?
-
Go to Step 5
Go to Step 7
5
Connect a test light between the main relay connector terminal 30 and ground.
Is the light on?
-
Go to Step 6
Go to Step 7
6
Check for an open in the wire between the main relay connector terminal 87 and the engine fuse block terminals for fuses Ef13 and Ef14.
Is the problem found?
-
Go to Step 7
Go to Step 8
7
Repair open circuit.
Is the repair complete?
-
System OK
-
8
Replace the main relay.
Is the repair complete?
-
System OK
-

S6B11F23
Display graphicTranslations of text in graphics


Manifold Absolute Pressure Check (1.2L SOHC)

Circuit Description

The Manifold Absolute Pressure (MAP) sensor measures the changes in the intake manifold pressure which result from engine load (intake manifold vacuum) and rpm changes. The MAP sensor converts these changes into a voltage output. The engine control module (ECM) sends a 5-volt reference voltage to the MAP sensor. As the intake manifold pressure changes, the output voltage of the MAP sensor also changes. A low voltage (high vacuum) output of 1 to 2 volts is present at idle. A high voltage (low vacuum) output of 4.0 to 4.8 volts is present at wide open throttle. The MAP sensor is also used under certain conditions to measure baro-metric pressure. This allows the ECM to make adjustments for altitude changes. The ECM uses the MAP sensor for fuel delivery and ignition timing changes.

Test Description

The number(s) below refer to step(s) on the diagnostic table.
  1. Applying 34 kPa (10 inches Hg) of vacuum to the MAP sensor should cause the voltage to change. Subtract the second voltage reading from the first. That voltage value should be more than 1.5 volts. When applying vacuum to the MAP sensor, the change in the voltage should happen instantly. A slow voltage change indicates a faulty MAP sensor.
  2. Disconnect the MAP sensor from the bracket and twist the MAP sensor. Output changes more than 0.1 volt indicate a faulty connector or connection.

Manifold Absolute Pressure Check (1.2L SOHC)

StepActionValue(s)YesNo
1
  1. Turn the ignition OFF.
  2. Connect a scan tool to the Data Link Connector (DLC).
  3. Turn the ignition ON.
  4. Compare the Manifold Absolute Pressure (MAP) sensor voltage reading from the scanner with that from a known good vehicle.
Is the difference in the two voltage readings less than the value specified?
0.4 v
Go to Step 2
Go to Step 5
2
  1. Turn the ignition OFF.
  2. Connect a scan tool to the DLC.
  3. Disconnect the MAP sensor vacuum line.
  4. Connect a hand vacuum pump to the MAP sensor.
  5. Turn the ignition ON.
  6. Note the MAP sensor voltage.
  7. Apply 10 in. Hg (34 kPa) of vacuum to the MAP sensor and note the voltage change.
Is the difference in voltage readings more than the value specified?
1.5 v
System OK
Go to Step 3
3
Inspect the MAP sensor connector terminals.
Is the problem found?
-
Go to Step 4
Go to Step 5
4
Repair the MAP sensor connector terminals as needed.
Is the repair complete?
-
System OK
-
5
Replace the MAP sensor.
Is the repair complete?
-
System OK
-

S6B11F24
Display graphicTranslations of text in graphics


Manifold Absolute Pressure Check (1.4L DOHC)

Circuit Description

The Manifold Absolute Pressure (MAP) sensor measures the changes in the intake manifold pressure which result from engine load (intake manifold vacuum) and rpm changes. The MAP sensor converts these changes into a voltage output. The engine control module (ECM) sends a 5-volt reference voltage to the MAP sensor. As the intake manifold pressure changes, the output voltage of the MAP sensor also changes. A low voltage (high vacuum) output of 1 to 2 volts is present at idle. A high voltage (low vacuum) output of 4.0 to 4.8 volts is present at wide open throttle. The MAP sensor is also used under certain conditions to measure baro-metric pressure. This allows the ECM to make adjustments for altitude changes. The ECM uses the MAP sensor for fuel delivery and ignition timing changes.

Test Description

The number(s) below refer to step(s) on the diagnostic table.
  1. Applying 34 kPa (10 inches Hg) of vacuum to the MAP sensor should cause the voltage to change. Subtract the second voltage reading from the first. That voltage value should be more than 1.5 volts. When applying vacuum to the MAP sensor, the change in the voltage should happen instantly. A slow voltage change indicates a faulty MAP sensor.
  2. Disconnect the MAP sensor from the bracket and twist the MAP sensor. Output changes more than 0.1 volt indicate a faulty connector or connection.

Manifold Absolute Pressure Check (1.4L DOHC)

StepActionValue(s)YesNo
1
  1. Turn the ignition OFF.
  2. Connect a scan tool to the Data Link Connector (DLC).
  3. Turn the ignition ON.
  4. Compare the Manifold Absolute Pressure (MAP) sensor voltage reading from the scanner with that from a known good vehicle.
Is the difference in the two voltage readings less than the value specified?
0.4 v
Go to Step 2
Go to Step 5
2
  1. Turn the ignition OFF.
  2. Connect a scan tool to the DLC.
  3. Disconnect the MAP sensor vacuum line.
  4. Connect a hand vacuum pump to the MAP sensor.
  5. Turn the ignition ON.
  6. Note the MAP sensor voltage.
  7. Apply 10 in. Hg (34 kPa) of vacuum to the MAP sensor and note the voltage change.
Is the difference in voltage readings more than the value specified?
1.5 v
System OK
Go to Step 3
3
Inspect the MAP sensor connector terminals.
Is the problem found?
-
Go to Step 4
Go to Step 5
4
Repair the MAP sensor connector terminals as needed.
Is the repair complete?
-
System OK
-
5
Replace the MAP sensor.
Is the repair complete?
-
System OK
-

S6B11F25
Display graphicTranslations of text in graphics


Idle Air Control System Check (1.2L SOHC)

Circuit Description

The aim of the MTIA (Main Throttle Idle Actuator) is to control the idle speed with the throttle body itself. The throttle is motorized for low opening angle (0°C, 19°C). The characteristics of the airflow are not the same for low and high opening angles. As a matter of fact, the gradient of the mass air flow function of TPS is lower for small angles that permits to be more precise during the idle speed control. Out of idle speed the throttle is actuated mechanically by a classical bowdencable.
The main throttle idle actuator (MTIA) provides a voltage signal that changes in relation to the throttle plate angle. The signal voltage will vary from about nearly 5.0 V at idles to about 0.2V to 0.4 V at wide-open throttle. The TPS is one of the most important inputs used by the ECM for fuel control and other functions such as idle, wide open throttle, deceleration enleanment, and acceleration enrichment.

Diagnostic Aids

If the idle is too high, stop the engine. Fully extend the main throttle idle actuator (MTIA) with a IAC driver. Start the engine. If the idle speed is above 800 rpm, locate and repair the vacuum leak. Also, check for a binding throttle plate or throttle linkage or an incorrect base idle setting.

Idle Learn Procedure

The following idle learn procedure must be performed whenever one or more of the actions listed below are taken;
- Replacement of new ECM
- Replacement of new throttle body (MTIA, ETC)
- Replacement of new IAC valve
- Cleaning of carbon deposit on the throttle body
- Cleaning of carbon deposit on the throttle body
- Power disconnection (battery cable, ECM fuse, etc.) (Delphi ECM only)
- Reprogram of ECM software. (Siemens D160 ECM with ETC system only)
Refer to "Idle Learn Procedure" in this section.

Idle Air Control System Check (1.2L SOHC)

StepActionValue(s)YesNo
1
Perform an On-Board Diagnostic (EOBD) System Check.
Is the system check complete?
-
Go to Step 2
Go to "On-Board Diagnostic System Check"
2
Turn the ignition switch to ON.
Is the Malfunction Indicator Lamp (MIL) on steady?
-
Go to Step 4
Go to Step 3
3
Turn the ignition switch to LOCK.
Connect the scan tool to the DLC.
Turn the Turn the ignition switch to ON.
Are any diagnostic trouble codes (DTCs) displayed?
-
Go to Step 4
Try with another scan tool
4
Refer to the applicable DTC table.
Is only one DTC identified as valid trouble code P0122?
-
Go to Step 5
Go to applicable DTC table And go to "Multiple DTC"
5
  1. Connect the scan tool to the DLC.
  2. Turn the ignition switch to ON.
  3. Press the accelerator pedal while watching TPS for smooth changes in the voltage.
Does the scan tool show the TPS voltage change smoothly within the value specified?
0.3V-4.8V
Go to "Diagnostic Aids"
Go to Step 6
6
  1. Turn the ignition switch to lock.
  2. Disconnect the MTIA connector.
  3. Measure the voltage between terminal 2 and 8.
Does the voltage measure within the value specified?
4.8V-5.0V
Go to Step 7
Go to Step 8
7
Connect a fused jumper between the MTIA connector terminal 2 and terminal 7.
Does the scan tool show the TPS voltage above value specified?
4.8V-5.0V
Go to Step 13
Go to Step 11
8
Measure the voltage between the MTIA connector 2 and ground.
Does the voltage measure within the value specified?
>5.0V
Go to Step 9
Go to Step 10
9
  1. Turn the ignition switch to lock.
  2. Check for an open or low voltage in the wire between the MTIA connector 8 and ECM connector 19.
Is the problem found?
-
Go to Step 12
Go to Step 14
10
  1. Turn the ignition switch to LOCK.
  2. Check for an open or low voltage in the wire between the MTIA connector 2 and ECM connector 79.
Is the problem found?
-
Go to Step 12
Go to Step 14
11
  1. Turn the ignition switch to LOCK.
  2. Check for an open or low voltage in the wire between the MTIA connector 7 and ECM connector 74.
Is the problem found?
-
Go to Step 12
Go to Step 14
12
  1. Repair the wire or the connector terminal as needed.
  2. Clear any DTCs from ECM.
  3. Perform the Diagnostic System Check.
Is the repair complete?
-
System OK
-
13
  1. Replace the throttle body assembly.
  2. Clear any DTCs from ECM.
  3. Perform the Diagnostic System Check.
Is the repair complete?
-
System OK
-
14
  1. Turn the ignition switch to LOCK.
  2. Replace the ECM.
  3. Perform the Diagnostic System Check.
Is the repair complete?
-
Go to Step 15
-
15
Check if any additional DTCs are set.
Are any DTCs displaced that have not been diagnosed?
-
Go to applicable DTC
table
System OK

S6B11F26
Display graphicTranslations of text in graphics


Idle Air Control System Check (1.4L DOHC)

Circuit Description

The Engine Control Module (ECM) controls the engine idle speed with the Idle Air Control (IAC) valve. To increase the idle speed, the ECM pulls the IAC pintle away from its seat, allowing more air to pass by the throttle body. To decrease the idle speed, it extends the IAC valve pintle toward its seat, reducing bypass air flow. A scan tool will read the ECM commands to the IAC valve in counts. The higher counts indicate more air bypass (higher idle). The lower counts indicate less air is allowed to bypass (lower idle).

Diagnostic Aids

If the idle is too high, stop the engine. Fully extend the Idle Air Control (IAC) valve with a IAC driver. Start the engine. If the idle speed is above 800 rpm, locate and repair the vacuum leak. Also, check for a binding throttle plate or throttle linkage or an incorrect base idle setting.

Test Description

The number(s) below refer to step(s) on the diagnostic table.
  1. The IAC valve is extended and retracted by the IAC driver. IAC valve movement is verified by an engine speed change. If no change in engine speed occurs, the valve can be removed from the throttle body and tested. Connect the IAC driver to the removed IAC valve and turn the ignition ON. Do not start the engine.
  2. This step checks the quality of the IAC valve movement in Step 2. Fully extending the IAC valve may cause an engine stall. This may be normal.
  3. Steps 2 and 5 verify proper IAC valve operation. This step checks the IAC circuit for a wiring or ECM fault.

Idle Learn Procedure

The following idle learn procedure must be performed whenever one or more of the actions listed below are taken;
- Replacement of new ECM
- Replacement of new throttle body (MTIA, ETC)
- Replacement of new IAC valve
- Cleaning of carbon deposit on the throttle body
- Cleaning of carbon deposit on the throttle body
- Power disconnection (battery cable, ECM fuse, etc.) (Delphi ECM only)
- Reprogram of ECM software. (Siemens D160 ECM with ETC system only)
Refer to "Idle Learn Procedure" in this section.

Idle Air Control System Check (1.4L DOHC)

StepActionValue(s)YesNo
1
Perform an On-Board Diagnostic (EOBD) system check.
Was the check performed?
-
Go to Step 2
Go to "On-Board Diagnostic System Check"
2
  1. Turn the ignition OFF.
  2. Remove Idle Air Control (IAC) valve.
  3. Inspect the IAC passages for restrictions.
Is the problem found?
-
Go to Step 3
Go to Step 4
3
Clean the IAC passages.
Is the repair complete?
-
System OK
-
4
Measure the resistance between following terminals of IAC valve.
  1. Terminal C and D
  2. Terminal A and B
Does the resistance equal to the value specified?
40-80
Go to Step 6
Go to Step 5
5
Replace the IAC valve.
Is the repair complete?
-
System OK
-
6
  1. Disconnect the Engine control Module (ECM) connector.
  2. Check for an open or short in the wires between following terminals.
    • Terminal D of IAC valve connector and terminal M13 of ECM connector
    • Terminal C of IAC valve connector and terminal M15 of ECM connector
    • Terminal B of IAC valve connector and terminal M30 of ECM connector
    • Terminal A of IAC valve connector and terminal M14 of ECM connector
Is the problem found?
-
Go to Step 8
Go to Step 7
7
Repair an open or short circuit as needed.
Is the repair complete?
-
System OK
-
8
Inspect the IAC connector terminals and the ECM connector terminals.
Is the problem found?
-
Go to Step 9
Go to Step 10
9
Repair or replace the throttle body assembly and/or ECM connector terminals as needed.
Is the repair complete?
-
System OK
-
10
Replace the ECM.
Is the repair complete?
-
System OK
-

S6B11F27
Display graphicTranslations of text in graphics


Ignition System Check (1.2L SOHC)

Circuit Description

The Electronic Ignition (EI) system uses a waste spark method of spark distribution. In this type of EI system, the Crankshaft Position (CKP) sensor is mounted to the oil pump near a slotted wheel that is a part of the crankshaft pulley. The CKP sensor sends reference pulses to the engine control module (ECM). The ECM then triggers the EI system ignition coil. Once the ECM triggers the EI system ignition coil, both of the connected spark plugs fire at the same time. One cylinder is on its compression stroke at the same time that the other is on the exhaust stroke, resulting in lower energy needed to fire the spark plug in the cylinder on its exhaust stroke.
This leaves the remainder of the high voltage to be used to fire the spark plug in the cylinder on its compression stroke. Since the CKP sensor is in a fixed position, timing adjustments are not possible or needed.

Test Description

The number(s) below refer to step(s) on the diagnostic table.
  1. It is important to check for the presence of spark to all of the cylinders to isolate the problem to either EI system ignition coil inputs or outputs.
  2. In checking the ECM outputs for the electronic spark timing signal, it recommended to use an oscilloscope to view the varying voltage signals. In measuring these outputs with a voltmeter, intermittent errors may occur that cannot be seen by a voltmeter.
  3. After confirming ECM inputs for the electronic spark timing to the EI system ignition coil are OK, it can be determined that a faulty EI system ignition coil is at fault.
  4. After confirming proper CKP sensor inputs to the ECM and no wiring problems present, it can be determined that the ECM is at fault.
  5. This step, along with step 25, checks for battery voltage and a ground to the EI system ignition coil.

Ignition System Check (1.2L SOHC)

Caution : Use only electrically insulated pliers when handling ignition wires with the engine running to prevent an electrical shock.

StepActionValue(s)YesNo
1
  1. Remove the spark plugs.
  2. Inspect for wet spark plugs, cracks, wear, improper gap, burned electrodes, or heavy deposits.
  3. Replace the spark plugs as needed.
Is the repair complete?
-
System OK
Go to Step 2
2
Check for the presence of spark from all of the ignition wires while cranking the engine.
Is spark present from all of the ignition wires?
-
System OK
Go to Step 3
3
  1. Measure the resistance of the ignition wires.
  2. Replace any ignition wire(s) with a resistance above the value specified.
  3. Check for the presence of spark from all of the ignition wires.
Is spark present from all of the ignition wires?
30,000 Ω
System OK
Go to Step 4
4
Is spark present from at least one of the ignition wires, but not all of the ignition wires?
-
Go to Step 5
Go to Step 12
5
  1. Turn the ignition OFF.
  2. Disconnect the Electronic Ignition (EI) system ignition coil connector.
  3. While cranking the engine, measure the voltage at the EI system ignition coil connector terminal A.
Does the voltage fluctuate within the values specified?
0.2-2.0 v
Go to Step 6
Go to Step 7
6
While cranking the engine, measure the voltage at the EI system ignition coil connector terminal C.
Does the voltage fluctuate within the values specified?
0.2-2.0 v
Go to Step 10
Go to Step 8
7
Check for an open in the wire from the EI system ignition coil connector terminal A to the engine control module (ECM) connector terminal 31.
Is the problem found?
-
Go to Step 9
Go to Step 11
8
Check for an open in the wire from the EI system ignition coil connector terminal C to the ECM connector terminal 32.
Is the problem found?
-
Go to Step 9
Go to Step 11
9
  1. Repair the wiring as needed.
  2. Connect the EI system ignition coil connector.
  3. Check for the presence of spark from all of the ignition wires.
Is spark present from all of the ignition wires?
-
System OK
-
10
  1. Turn the ignition OFF.
  2. Replace the electronic ignition system ignition coil.
  3. Connect the EI system ignition coil connector.
  4. Check for the presence of spark from all of the ignition wires.
Is spark present from all of the ignition wires?
-
System OK
-
11
  1. Turn the ignition OFF.
  2. Replace the ECM.
  3. Connect the EI system ignition coil connector.
  4. Check for the presence of spark from all of the ignition wires.
Is spark present from all of the ignition wires?
-
System OK
-
12
  1. Turn the ignition OFF.
  2. Disconnect the Crankshaft Position (CKP) sensor connector.
  3. Measure the resistance between the CKP sensor terminals 1 and 2.
Is the resistance within the value specified?
400-600 Ω
Go to Step 13
Go to Step 28
13
  1. Measure the resistance between the CKP sensor terminals 1 and 3.
  2. Measure the resistance between the CKP sensor terminals 2 and 3.
  3. Is the resistance infinite (open circuit)?
Is the repair complete?
-
Go to Step 14
Go to Step 28
14
  1. Turn the ignition ON.
  2. Measure the voltage between the CKP sensor connector terminals 1 and 3.
Is the voltage within the value specified?
1.3-1.5 v
Go to Step 20
Go to Step 15
15
Measure the voltage between the CKP sensor connector terminal 2 and ground.
Is the voltage within the value specified?
1.3-1.5 v
Go to Step 17
Go to Step 16
16
Check the wire between the CKP sensor connector terminal 2 and the ECM connector terminal 85 for an open or short.
Is the problem found?
-
Go to Step 18
Go to Step 11
17
Check the wire between the CKP sensor connector terminal 3 and ground for an open or short.
Is the problem found?
-
Go to Step 19
Go to Step 11
18
Repair the wire between the CKP sensor connector terminal 2 and the ECM connector terminal 85.
Is the repair complete?
-
System OK
-
19
Repair the wire between the CKP sensor connector terminal 3 and ground.
Is the repair complete?
-
System OK
-
20
  1. Turn the ignition ON.
  2. Measure the voltage between the CKP sensor connector terminals 2 and 3.
Is the voltage within the value specified?
1.3-1.5 v
Go to Step 24
Go to Step 21
21
Measure the voltage between the CKP sensor connector terminal 1 and ground.
Is the voltage within the value specified?
1.3-1.5 v
Go to Step 17
Go to Step 22
22
Check the wire between the CKP sensor connector terminal 1 and the ECM connector terminal 54 for an open or short.
Is the problem found?
-
Go to Step 23
Go to Step 11
23
Repair the wire between the CKP sensor connector terminal 1 and the ECM connector terminal 54.
Is the repair complete?
-
System OK
-
24
  1. Turn the ignition OFF.
  2. Connect a test light between the EI system ignition coil connector terminal B and ground.
  3. Turn the ignition ON.
Is the test light on?
-
Go to Step 25
Go to Step 26
25
Connect a test light between the EI system ignition coil connector terminal B and battery positive.
Is the test light on?
-
Go to Step 5
Go to Step 27
26
Check for an open or short to ground in the wiring between the EI system ignition coil connector, terminal B and the ignition switch.
Is the problem found?
-
Go to Step 29
-
27
Repair the wire between the EI system ignition coil connector terminal C and ground.
Is the repair complete?
-
System OK
-
28
  1. Turn the ignition OFF.
  2. Replace the CKP sensor.
Is the repair complete?
-
System OK
-
29
Replace the fuse F6 or repair the open in the wiring between the EI system ignition coil connector terminal B and the ignition switch.
Is the repair complete?
-
System OK
-

S6B11F28
Display graphicTranslations of text in graphics


Ignition System Check (1.4L DOHC)

Circuit Description

The Electronic Ignition (EI) system uses a waste spark method of spark distribution. In this type of EI system, the Crankshaft Position (CKP) sensor is mounted to the oil pump near a slotted wheel that is a part of the crankshaft pulley. The CKP sensor sends reference pulses to the engine control module (ECM). The ECM then triggers the EI system ignition coil. Once the ECM triggers the EI system ignition coil, both of the connected spark plugs fire at the same time. One cylinder is on its compression stroke at the same time that the other is on the exhaust stroke, resulting in lower energy needed to fire the spark plug in the cylinder on its exhaust stroke.
This leaves the remainder of the high voltage to be used to fire the spark plug in the cylinder on its compression stroke. Since the CKP sensor is in a fixed position, timing adjustments are not possible or needed.

Test Description

The number(s) below refer to step(s) on the diagnostic table.
  1. It is important to check for the presence of spark to all of the cylinders to isolate the problem to either EI system ignition coil inputs or outputs.
  2. In checking the ECM outputs for the electronic spark timing signal, it recommended to use an oscilloscope to view the varying voltage signals. In measuring these outputs with a voltmeter, intermittent errors may occur that cannot be seen by a voltmeter.
  3. After confirming ECM inputs for the electronic spark timing to the EI system ignition coil are OK, it can be determined that a faulty EI system ignition coil is at fault.
  4. After confirming proper CKP sensor inputs to the ECM and no wiring problems present, it can be determined that the ECM is at fault.
  5. This step, along with step 25, checks for battery voltage and a ground to the EI system ignition coil.

Ignition System Check (1.4L DOHC)

Caution : Use only electrically insulated pliers when handling ignition wires with the engine running to prevent an electrical shock.

StepActionValue(s)YesNo
1
  1. Remove the spark plugs.
  2. Inspect for wet spark plugs, cracks, wear, improper gap, burned electrodes, or heavy deposits.
  3. Replace the spark plugs as needed.
Is the repair complete?
-
System OK
Go to Step 2
2
Check for the presence of spark from all of the ignition wires while cranking the engine.
Is spark present from all of the ignition wires?
-
System OK
Go to Step 3
3
  1. Measure the resistance of the ignition wires.
  2. Replace any ignition wire(s) with a resistance above the value specified.
  3. Check for the presence of spark from all of the ignition wires.
Is spark present from all of the ignition wires?
30,000 Ω
System OK
Go to Step 4
4
Is spark present from at least one of the ignition wires, but not all of the ignition wires?
-
Go to Step 5
Go to Step 12
5
  1. Turn the ignition OFF.
  2. Disconnect the Electronic Ignition (EI) system ignition coil connector.
  3. While cranking the engine, measure the voltage at the EI system ignition coil connector terminal C.
Does the voltage fluctuate within the values specified?
0.2-2.0 v
Go to Step 6
Go to Step 7
6
While cranking the engine, measure the voltage at the EI system ignition coil connector terminal A
Does the voltage fluctuate within the values specified?
0.2-2.0 v
Go to Step 10
Go to Step 8
7
Check for an open in the wire from the EI system ignition coil connector terminal C to the engine control module (ECM) connector terminal M35 or M51.
Is the problem found?
-
Go to Step 9
Go to Step 11
8
Check for an open in the wire from the EI system ignition coil connector terminal A to the ECM connector terminal M1 or M33.
Is the problem found?
-
Go to Step 9
Go to Step 11
9
  1. Repair the wiring as needed.
  2. Connect the EI system ignition coil connector.
  3. Check for the presence of spark from all of the ignition wires.
Is spark present from all of the ignition wires?
-
System OK
-
10
  1. Turn the ignition OFF.
  2. Replace the electronic ignition system ignition coil.
  3. Connect the EI system ignition coil connector.
  4. Check for the presence of spark from all of the ignition wires.
Is spark present from all of the ignition wires?
-
System OK
-
11
  1. Turn the ignition OFF.
  2. Replace the ECM.
  3. Connect the EI system ignition coil connector.
  4. Check for the presence of spark from all of the ignition wires.
Is spark present from all of the ignition wires?
-
System OK
-
12
  1. Turn the ignition OFF.
  2. Disconnect the Crankshaft Position (CKP) sensor connector.
  3. Measure the resistance between the CKP sensor terminals 1 and 2.
Is the resistance within the value specified?
400-600 Ω
Go to Step 13
Go to Step 28
13
  1. Measure the resistance between the CKP sensor terminals 1 and 3.
  2. Measure the resistance between the CKP sensor terminals 2 and 3.
  3. Is the resistance infinite (open circuit)?
Is the repair complete?
-
Go to Step 14
Go to Step 28
14
  1. Turn the ignition ON.
  2. Measure the voltage between the CKP sensor connector terminals 1 and 3.
Is the voltage within the value specified?
1.3-1.5 v
Go to Step 20
Go to Step 15
15
Measure the voltage between the CKP sensor connector terminal 1 and ground.
Is the voltage within the value specified?
1.3-1.5 v
Go to Step 17
Go to Step 16
16
Check the wire between the CKP sensor connector terminal 1 and the ECM connector terminal M21 for an open or short.
Is the problem found?
-
Go to Step 18
Go to Step 11
17
Check the wire between the CKP sensor connector terminal 3 and ground for an open or short.
Is the problem found?
-
Go to Step 19
Go to Step 11
18
Repair the wire between the CKP sensor connector terminal 1 and the ECM connector terminal M21.
Is the repair complete?
-
System OK
-
19
Repair the wire between the CKP sensor connector terminal 3 and ground.
Is the repair complete?
-
System OK
-
20
  1. Turn the ignition ON.
  2. Measure the voltage between the CKP sensor connector terminals 2 and 3.
Is the voltage within the value specified?
1.3-1.5 v
Go to Step 24
Go to Step 21
21
Measure the voltage between the CKP sensor connector terminal 2 and ground.
Is the voltage within the value specified?
1.3-1.5 v
Go to Step 17
Go to Step 22
22
Check the wire between the CKP sensor connector terminal 2 and the ECM connector terminal M5 for an open or short.
Is the problem found?
-
Go to Step 23
Go to Step 11
23
Repair the wire between the CKP sensor connector terminal 2 and the ECM connector terminal M5.
Is the repair complete?
-
System OK
-
24
  1. Turn the ignition OFF.
  2. Connect a test light between the EI system ignition coil connector terminal B and ground.
  3. Turn the ignition ON.
Is the test light on?
-
Go to Step 25
Go to Step 26
25
Connect a test light between the EI system ignition coil connector terminal B and battery positive.
Is the test light on?
-
Go to Step 5
Go to Step 27
26
Check for an open or short to ground in the wiring between the EI system ignition coil connector, terminal B and the ignition switch.
Is the problem found?
-
Go to Step 29
-
27
Repair the wire between the EI system ignition coil connector terminal C and ground.
Is the repair complete?
-
System OK
-
28
  1. Turn the ignition OFF.
  2. Replace the CKP sensor.
Is the repair complete?
-
System OK
-
29
Replace the fuse F6 or repair the open in the wiring between the EI system ignition coil connector terminal B and the ignition switch.
Is the repair complete?
-
System OK
-

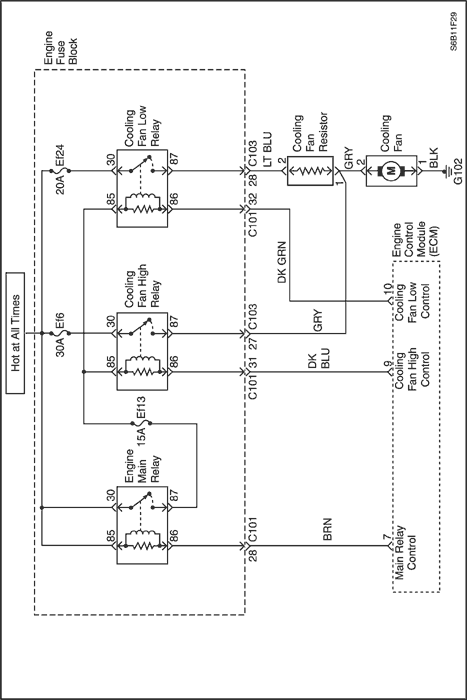
S6B11F29
Display graphicTranslations of text in graphics


Engine Cooling Fan Circuit Check - Single Fan (1.2L SOHC)

Circuit Description

The engine cooling fan circuit operates the cooling fan. The cooling fan is controlled by engine control module (ECM) based on input from the Engine Coolant Temperature (ECT) sensor. The ECM controls the low speed cooling fan operation by internally grounding the ECM connector terminal 10. This energizes the low speed cooling fan relay and operates the cooling fan at low speed. The low speed cooling fan operation is achieved by the cooling fan resistor causing a drop in the voltage supplied to the cooling fan. The ECM controls the high speed cooling fan operation by internally grounding the ECM connector terminal 9. This energizes the high speed cooling fan relay, bypassing the radiator fan resistor. This results in high speed cooling fan operation.

Diagnostic Aids

Engine Cooling Fan Circuit Check - Single Fan (1.2L SOHC)

StepActionValue(s)YesNo
1
Perform an On-Board Diagnostic (EOBD) system check.
Is the check completed?
-
Go to Step 2
Go to "On-Board Diagnostic System Check"
2
  1. Check the Engine fuse block fuse Ef6.
  2. Replace the fuse as needed.
Is the fuse OK?
-
Go to Step 3
Go to "Diagnostic Aids"
3
  1. Check the engine fuse block fuse Ef24.
  2. Replace the fuse as needed.
Is the fuse OK?
-
Go to Step 4
Go to "Diagnostic Aids"
4
  1. Turn the ignition OFF.
  2. Connect the scan tool to the Data Link Connector (DLC).
  3. Start the engine.
  4. The cooling fan should run at low speed when the coolant temperature reaches 93°C (199°F).
Does the cooling fan run at low speed?
-
Go to Step 5
Go to Step 6
5
  1. Turn the ignition OFF.
  2. Connect a scan tool to the DLC.
  3. Start the engine.
  4. The cooling fan should run at high speed when the coolant temperature reaches 100°C (212°F).
Does the cooling fan run at high speed?
-
System OK
Go to Step 22
6
  1. Turn the ignition OFF.
  2. Disconnect the engine control module (ECM) connector.
  3. Connect a fused jumper between the ECM connector terminal 10 and ground.
  4. Turn the ignition ON.
Does the cooling fan run at low speed?
-
Go to Step 21
Go to Step 7
7
  1. Turn the ignition OFF.
  2. Connect a fused jumper between the ECM connector terminal 10 and ground.
  3. Disconnect the cooling fan connector.
  4. Connect a test light between the cooling fan connector terminal 2 and ground.
  5. Turn the ignition ON.
Is the test light on?
-
Go to Step 8
Go to Step 9
8
  1. Turn the ignition OFF.
  2. Connect a test light between the cooling fan connector terminal 1 and battery positive.
Is the test light on?
-
Go to Step 18
Go to Step 17
9
  1. Turn the ignition OFF.
  2. Disconnect the cooling fan relay Low.
  3. Connect a test light between the cooling fan relay Low connector terminal 86 and ground.
  4. Turn the ignition ON.
Is the test light on?
-
Go to Step 10
Go to Step 13
10
  1. Turn the ignition OFF.
  2. Connect a test light between the cooling fan relay Low connector terminal 30 and ground.
Is the test light on?
-
Go to Step 11
Go to Step 14
11
Connect a test light between the cooling fan relay Low connector terminal 87 and battery positive.
Is the test light on?
-
Go to Step 12
Go to Step 16
12
  1. Connect a fused jumper between the ECM connector terminal 10 and ground.
  2. Connect a test light between the cooling fan relay Low connector terminal 85 and battery positive.
Is the test light on?
-
Go to Step 19
Go to Step 15
13
Repair the open wire between the cooling fan relay Low connector terminal 85 and the ignition switch.
Is the repair complete?
-
System OK
-
14
Repair the open wire between the cooling fan relay Low connector terminal 30 and the fuse Ef24.
Is the repair complete?
-
System OK
-
15
Repair the open wire between the cooling fan relay Low connector terminal 86 and the ECM connector terminal 10.
Is the repair complete?
-
System OK
-
16
Check for an open wire between the cooling fan relay Low connector terminal 87 and the cooling fan connector terminal Low.
Is the problem found?
-
Go to Step 20
Go to Step 17
17
Check for an open wire between the cooling fan connector terminal 1 and ground.
Is the problem found?
-
Go to Step 20
Go to Step 18
18
Replace the cooling fan.
Is the repair complete?
-
System OK
-
19
Replace the cooling fan relay Low.
Is the repair complete?
-
System OK
-
20
Repair the wire as needed.
Is the repair complete?
-
System OK
-
21
Replace the ECM.
Is the repair complete?
-
System OK
-
22
  1. Turn the ignition OFF.
  2. Disconnect the ECM connector.
  3. Connect a fused jumper between the ECM connector terminal 10 and ground.
  4. Connect a fused jumper between the ECM connector terminal 9 and ground.
  5. Turn the ignition ON.
Does the cooling fan run at high speed?
-
Go to Step 21
Go to Step 23
23
  1. Turn the ignition OFF.
  2. Disconnect the cooling fan relay Hi.
  3. Connect a test light between the cooling fan relay Low connector terminal 85 and ground.
  4. Turn the ignition ON.
Is the test light on?
-
Go to Step 24
Go to Step 28
24
  1. Turn the ignition OFF.
  2. Connect a test light between the cooling fan relay Hi connector terminal 30 and ground.
Is the test light on?
-
Go to Step 25
Go to Step 29
25
Connect a test light between the cooling fan relay Hi connector terminal 87 and battery positive.
Is the test light on?
-
Go to Step 26
Go to Step 30
26
  1. Connect a fused jumper between the ECM connector terminal 9 and ground.
  2. Connect a test light between the cooling fan relay Hi connector terminal 86 and battery positive.
Is the test light on?
-
Go to Step 27
Go to Step 31
27
Replace the cooling fan relay Hi.
Is the repair complete?
-
System OK
-
28
Repair the open wire between the cooling fan relay Hi connector terminal 85 and the ignition switch.
Is the repair complete?
-
System OK
-
29
Repair the open wire between the cooling fan relay Hi connector terminal 30 and the fuse Ef6.
Is the repair complete?
-
System OK
-
30
Repair the open wire between the cooling fan relay Hi connector terminal 87 and the cooling fan connector terminal Hi.
Is the repair complete?
-
System OK
-
31
Repair the open wire between the cooling fan relay Hi connector terminal 86 and the ECM connector terminal 9.
Is the repair complete?
-
System OK
-

S6B11F30
Display graphicTranslations of text in graphics


Engine Cooling Fan Circuit Check - Single Fan (1.4L DOHC)

Circuit Description

The engine cooling fan circuit operates the cooling fan. The cooling fan is controlled by engine control module (ECM) based on input from the Engine Coolant Temperature (ECT) sensor. The ECM controls the low speed cooling fan operation by internally grounding the ECM connector terminal K28. This energizes the low speed cooling fan relay and operates the cooling fan at low speed. The low speed cooling fan operation is achieved by the cooling fan resistor causing a drop in the voltage supplied to the cooling fan. The ECM controls the high speed cooling fan operation by internally grounding the ECM connector terminal K12. This energizes the high speed cooling fan relay, bypassing the radiator fan resistor. This results in high speed cooling fan operation.

Diagnostic Aids

Test Description

The number(s) below refer to step(s) on the diagnostic table.
  1. This step, along with step 5, checks for the ability of the ECM to operate the cooling fans.
  2. By directly grounding the ECM connector terminal K12, the cooling fan should run at high speed.

Engine Cooling Fan Circuit Check - Single Fan (1.4L DOHC)

StepActionValue(s)YesNo
1
Perform an On-Board Diagnostic (EOBD) system check.
Is the check completed?
-
Go to Step 2
Go to "On-Board Diagnostic System Check"
2
  1. Check the I/P fuse block fuse F6.
  2. Replace the fuse as needed.
Is the fuse OK?
-
Go to Step 3
Go to "Diagnostic Aids"
3
  1. Check the engine fuse block fuse Ef6 or Ef24.
  2. Replace the fuse as needed.
Is the fuse OK?
-
Go to Step 4
Go to "Diagnostic Aids"
4
  1. Turn the ignition OFF.
  2. Connect the scan tool to the Data Link Connector (DLC).
  3. Start the engine.
  4. The cooling fan should run at low speed when the coolant temperature reaches 93°C (199°F).
Does the cooling fan run at low speed?
-
Go to Step 5
Go to Step 6
5
  1. Turn the ignition OFF.
  2. Connect a scan tool to the DLC.
  3. Start the engine.
  4. The cooling fan should run at high speed when the coolant temperature reaches 97°C (207°F).
Does the cooling fan run at high speed?
-
System OK
Go to Step 22
6
  1. Turn the ignition OFF.
  2. Disconnect the engine control module (ECM) connector.
  3. Connect a fused jumper between the ECM connector terminal K28 and ground.
  4. Turn the ignition ON.
Does the cooling fan run at low speed?
-
Go to Step 21
Go to Step 7
7
  1. Turn the ignition OFF.
  2. Connect a fused jumper between the ECM connector terminal K28 and ground.
  3. Disconnect the cooling fan connector.
  4. Connect a test light between the cooling fan connector terminal 2 and ground.
  5. Turn the ignition ON.
Is the test light on?
-
Go to Step 8
Go to Step 9
8
  1. Turn the ignition OFF.
  2. Connect a test light between the cooling fan connector terminal 1 and battery positive.
Is the test light on?
-
Go to Step 18
Go to Step 17
9
  1. Turn the ignition OFF.
  2. Disconnect the cooling fan relay Low.
  3. Connect a test light between the cooling fan relay Low connector terminal 86 and ground.
  4. Turn the ignition ON.
Is the test light on?
-
Go to Step 10
Go to Step 13
10
  1. Turn the ignition OFF.
  2. Connect a test light between the cooling fan relay Low connector terminal 30 and ground.
Is the test light on?
-
Go to Step 11
Go to Step 14
11
Connect a test light between the cooling fan relay Low connector terminal 87 and battery positive.
Is the test light on?
-
Go to Step 12
Go to Step 16
12
  1. Connect a fused jumper between the ECM connector terminal K28 and ground.
  2. Connect a test light between the cooling fan relay Low connector terminal 85 and battery positive.
Is the test light on?
-
Go to Step 19
Go to Step 15
13
Repair the open wire between the cooling fan relay Low connector terminal 85 and the ignition switch.
Is the repair complete?
-
System OK
-
14
Repair the open wire between the cooling fan relay Low connector terminal 30 and the fuse Ef24.
Is the repair complete?
-
System OK
-
15
Repair the open wire between the cooling fan relay Low connector terminal 86 and the ECM connector terminal K28.
Is the repair complete?
-
System OK
-
16
Check for an open wire between the cooling fan relay Low connector terminal 87 and the cooling fan connector terminal Low.
Is the problem found?
-
Go to Step 20
Go to Step 17
17
Check for an open wire between the cooling fan connector terminal 1 and ground.
Is the problem found?
-
Go to Step 20
Go to Step 18
18
Replace the cooling fan.
Is the repair complete?
-
System OK
-
19
Replace the cooling fan relay Low.
Is the repair complete?
-
System OK
-
20
Repair the wire as needed.
Is the repair complete?
-
System OK
-
21
Replace the ECM.
Is the repair complete?
-
System OK
-
22
  1. Turn the ignition OFF.
  2. Disconnect the ECM connector.
  3. Connect a fused jumper between the ECM connector terminal K12 and ground.
  4. Turn the ignition ON.
Does the cooling fan run at high speed?
-
Go to Step 21
Go to Step 23
23
  1. Turn the ignition OFF.
  2. Disconnect the cooling fan relay Hi.
  3. Connect a test light between the cooling fan relay Low connector terminal 85 and ground.
  4. Turn the ignition ON.
Is the test light on?
-
Go to Step 24
Go to Step 28
24
  1. Turn the ignition OFF.
  2. Connect a test light between the cooling fan relay Hi connector terminal 30 and ground.
Is the test light on?
-
Go to Step 25
Go to Step 29
25
Connect a test light between the cooling fan relay Hi connector terminal 87 and battery positive.
Is the test light on?
-
Go to Step 26
Go to Step 30
26
  1. Connect a fused jumper between the ECM connector terminal K12 and ground.
  2. Connect a test light between the cooling fan relay Hi connector terminal 86 and battery positive.
Is the test light on?
-
Go to Step 27
Go to Step 31
27
Replace the cooling fan relay Hi.
Is the repair complete?
-
System OK
-
28
Repair the open wire between the cooling fan relay Hi connector terminal 85 and the ignition switch.
Is the repair complete?
-
System OK
-
29
Repair the open wire between the cooling fan relay Hi connector terminal 30 and the fuse Ef6.
Is the repair complete?
-
System OK
-
30
Repair the open wire between the cooling fan relay Hi connector terminal 87 and the cooling fan connector terminal Hi.
Is the repair complete?
-
System OK
-
31
Repair the open wire between the cooling fan relay Hi connector terminal 86 and the ECM connector terminal K12.
Is the repair complete?
-
System OK
-

S6B11F14
Display graphicTranslations of text in graphics


Data Link Connector Diagnosis (1.2L SOHC)

Circuit Description

The provision for communicating with the Engine Control Module (ECM) is the Data Link Connector (DLC). It is located under the instrument panel. The DLC is used to connect the scan tool. Battery power and ground is supplied for the scan tool through the DLC. The Keyword 2000 serial data circuit to the DLC allows the ECM to communicate with the scan tool. A Universal Asynchronous Receiver Transmitter (UART) serial data line is used to communicate with the other modules such as the Electronic Brake Control Module (EBCM), the Supplemental Inflatable Restraint (SIR) system. and the Instrument Panel Cluster.

Diagnostic Aids

Ensure that the correct application (model line, car year, etc.) has been selected on the scan tool. If communication still cannot be established, try the scan tool on another vehicle to ensure that the scan tool or cables are not the cause of the condition.
An intermittent may be caused by a poor connection, rubbed through wire insulation, or a broken wire inside the insulation.
Any circuitry that is suspected of causing an intermittent complaint should be thoroughly checked for the following conditions:

Test Description

Number(s) below refer to the step number(s) on the Diagnostic Table.
  1. The On-Board Diagnostic (EOBD) System Check prompts the technician to complete some basic checks and store the freeze frame and failure records data on the scan tool if applicable. This creates an electronic copy of the data taken when the malfunction occurred. The information is then stored on the scan tool for later reference.
  2. Unlike the UART serial data circuit, the only time a Class II serial data circuit has any voltage on it is when a scan tool asks the ECM for information and sends the information out.
  3. Locate and repair any shorts that may have caused the fuse to open before replacement, if the no voltage condition was due to an open fuse.
  4. The scan tool or associated cables could be malfunctioning. Refer to the scan tool's manual for repair information.

Data Link Connector Diagnosis (1.2L SOHC)

StepActionValue(s)YesNo
1
Perform an On-Board Diagnostic (EOBD) system check.
Was the check performed?
-
Go to Step 2
Go to "On-Board Diagnostic System Check"
2
With a test light connected to the ground, probe the Data Link Connector (DLC) battery feed terminal 16.
Is the test light illuminate?
-
Go to Step 4
Go to Step 3
3
Repair an open or short to ground in the DLC battery feed circuit .
Is the repair complete?
-
Go to Step 4
-
4
With a test light connected to the battery, probe the DLC ground terminal 4.
Is the test light illuminate?
-
Go to Step 6
Go to Step 5
5
Repair an open circuit.
Is the repair complete?
-
Go to Step 6
-
6
  1. Turn the ignition switch to LOCK.
  2. Install the scan tool to the DLC.
  3. Turn the ignition switch to ON.
Does the scan tool power up?
-
Go to Step 8
Go to Step 7
7
Check for damages in the terminal of DLC and scan tool, and repair as needed.
Is the repair complete?
-
Go to Step 8
-
8
Using a scan tool, request engine data of Engine Control Module (ECM).
Does the scan tool display any data?
-
Go to Step 12
Go to Step 9
9
Install the scan tool on another vehicle and check for proper operation.
Does the scan tool work properly on a different vehicle.
-
Go to Step 11
Go to Step 10
10
The scan tool is malfunctioning.
Refer to the scan tool's manual for repair.
Is the repair complete?
-
Go to Step 12
-
11
Repair communication circuit between ECM and DLC.
Is the repair complete?
-
Go to Step 12
-
12
  1. Using a scan tool, clear the Diagnostic Trouble Codes(DTCs).
  2. Attempt to start the engine.
Does the engine and continue to run?
-
Go to Step 13
Go to Step 2
13
  1. Allow the engine to idle until normal operation temperature reached.
  2. Check if any DTCs are set?
Are any DTCs displayed that have not been diagnosed?
-
Go to "Applicable DTC Table"
System OK

S6B11F15
Display graphicTranslations of text in graphics


Data Link Connector Diagnosis (1.4L DOHC)

Circuit Description

The provision for communicating with the Engine Control Module (ECM) is the Data Link Connector (DLC). It is located under the instrument panel. The DLC is used to connect the scan tool. Battery power and ground is supplied for the scan tool through the DLC. The Keyword 2000 serial data circuit to the DLC allows the ECM to communicate with the scan tool. A Universal Asynchronous Receiver Transmitter (UART) serial data line is used to communicate with the other modules such as the Electronic Brake Control Module (EBCM), the Supplemental Inflatable Restraint (SIR) system. and the Instrument Panel Cluster.

Diagnostic Aids

Ensure that the correct application (model line, car year, etc.) has been selected on the scan tool. If communication still cannot be established, try the scan tool on another vehicle to ensure that the scan tool or cables are not the cause of the condition.
An intermittent may be caused by a poor connection, rubbed through wire insulation, or a broken wire inside the insulation.
Any circuitry that is suspected of causing an intermittent complaint should be thoroughly checked for the following conditions:

Test Description

Number(s) below refer to the step number(s) on the Diagnostic Table.
  1. The On-Board Diagnostic (EOBD) System Check prompts the technician to complete some basic checks and store the freeze frame and failure records data on the scan tool if applicable. This creates an electronic copy of the data taken when the malfunction occurred. The information is then stored on the scan tool for later reference.
  2. Unlike the UART serial data circuit, the only time a Class II serial data circuit has any voltage on it is when a scan tool asks the ECM for information and sends the information out.
  3. Locate and repair any shorts that may have caused the fuse to open before replacement, if the no voltage condition was due to an open fuse.
  4. The scan tool or associated cables could be malfunctioning. Refer to the scan tool's manual for repair information.

Data Link Connector Diagnosis (1.4L DOHC)

StepActionValue(s)YesNo
1
Perform an On-Board Diagnostic (EOBD) system check.
Was the check performed?
-
Go to Step 2
Go to "On-Board Diagnostic System Check"
2
With a test light connected to the ground, probe the Data Link Connector (DLC) battery feed terminal 16.
Is the test light illuminate?
-
Go to Step 4
Go to Step 3
3
Repair an open or short to ground in the DLC battery feed circuit .
Is the repair complete?
-
Go to Step 4
-
4
With a test light connected to the battery, probe the DLC ground terminal 4 and 5.
Is the test light illuminate?
-
Go to Step 6
Go to Step 5
5
Repair an open circuit.
Is the repair complete?
-
Go to Step 6
-
6
  1. Turn the ignition switch to LOCK.
  2. Install the scan tool to the DLC.
  3. Turn the ignition switch to ON.
Does the scan tool power up?
-
Go to Step 8
Go to Step 7
7
Check for damages in the terminal of DLC and scan tool, and repair as needed.
Is the repair complete?
-
Go to Step 8
-
8
Using a scan tool, request engine data of Engine Control Module (ECM).
Does the scan tool display any data?
-
Go to Step 12
Go to Step 9
9
Install the scan tool on another vehicle and check for proper operation.
Does the scan tool work properly on a different vehicle.
-
Go to Step 11
Go to Step 10
10
The scan tool is malfunctioning.
Refer to the scan tool's manual for repair.
Is the repair complete?
-
Go to Step 12
-
11
Repair communication circuit between ECM and DLC.
Is the repair complete?
-
Go to Step 12
-
12
  1. Using a scan tool, clear the Diagnostic Trouble Codes(DTCs).
  2. Attempt to start the engine.
Does the engine and continue to run?
-
Go to Step 13
Go to Step 2
13
  1. Allow the engine to idle until normal operation temperature reached.
  2. Check if any DTCs are set?
Are any DTCs displayed that have not been diagnosed?
-
Go to "Applicable DTC Table"
System OK

Fuel Injector Coil Test

Circuit Description

The engine control module (ECM) enables the appropriate fuel injector pulse for each cylinder. Ignition voltage is supplied directly to the fuel injectors. The ECM controls each fuel injector by grounding the control circuit via a solid state device called a driver. A fuel injector coil winding resistance that is too high or too low will affect engine driveability. A fuel injector control circuit DTC may not set, but a misfire may be apparent. The fuel injector coil windings are affected by temperature. The resistance of the fuel injector coil windings will increase as the temperature of the fuel injector increases.

Diagnostic Aids

Fuel Injector Coil Test

StepActionValue(s)YesNo
1
Perform the Diagnostic System Check.
Is the check complete?
-
Go to Step 2
Go to "Diagnostic System Check"
2
Observe the ECT Sensor parameter with a scan tool.
Is the ECT Sensor parameter within the specified range?
10-32°C (50-90°F)
Go to Step 3
Go to Step 4
3
  1. Turn OFF the ignition.
  2. Disconnect the fuel injectors.
  3. Measure the resistance of each fuel injector with a DMM.
Is the resistance within the specified range for each injector?
11.6~12.4 Ω
Go to "Fuel Injector Balance Test"
Go to Step 6
4
  1. Turn OFF the ignition.
  2. Disconnect the fuel injectors.
  3. Measure the resistance of each fuel injector with a DMM.
  4. Record each fuel injector resistance value.
  5. Subtract the lowest resistance value from the highest resistance value.
Is the difference equal to, or less than, the specified value?
3 Ω
Go to "Fuel Injector Balance Test"
Go to Step 5
5
  1. Add all of the fuel injector resistance values to obtain a total resistance value.
  2. Divide the total resistance value by the number of fuel injectors to obtain an average resistance value.
  3. Subtract the lowest individual fuel injector resistance value from the average resistance value.
  4. Compute the difference between the highest individual fuel injector resistance value and the average resistance value.
  5. Replace the fuel injector that displays the greatest resistance difference above or below the average.
Did you complete the replacement?
-
Go to Step 7
-
6
Replace the fuel injector or fuel injectors with resistance that is out of the specified range.
Did you complete the replacement?
11.6~12.4 Ω
Go to Step 7
-
7
Operate the system in order to verify the repair.
Did you correct the condition?
-
System OK
Go to Step 2

Fuel Injector Balance Test

A fuel injector tester is used to energize the injector for a precise amount of time, thus spraying a measured amount of fuel into the intake manifold. This causes a drop in the fuel rail pressure that can be recorded and used to compare each of the fuel injectors. All of the fuel injectors should have the same pressure drop.

Fuel Injector Balance Test Example

Cylinder
1
2
3
4
First Reading
296 kPa (43 psi)
296 kPa (43 psi)
296 kPa (43 psi)
296 kPa (43 psi)
Second Reading
131 kPa (19 psi)
117 kPa (17 psi)
124 kPa (18 psi)
145 kPa (21 psi)
Amount Of Drop
165 kPa (24 psi)
179 kPa (26 psi)
172 kPa (25 psi)
151 kPa (22 psi)
Average Range: 156~176 kPa
(22.5~25.5 psi)
Injector OK
Faulty Injector - Too Much Pressure Drop
Injector OK
Faulty Injector - Too Little Pressure Drop

Caution : The fuel system is under pressure. To avoid fuel spillage and the risk of personal injury or fire, it is necessary to relieve the fuel system pressure before disconnecting the fuel lines.

Caution : Do not pinch or restrict nylon fuel lines. Damage to the lines could cause a fuel leak, resulting in possible fire or personal injury.

Notice : In order to prevent flooding of the engine, do not perform the Injector Balance Test more than once (including any retest on faulty fuel injectors) without running the engine.

Test

  1. Turn the ignition switch to ON in order to get the fuel pressure to its maximum level.
  2. Allow the fuel pressure to stabilize and then record this initial pressure reading. Wait until there is no movement of the needle on the fuel pressure gauge.
  3. Follow the manufacturer's instructions for the use of the adapter harness. Energize the fuel injector tester once and note the fuel pressure drop at its lowest point. Record this second reading. Subtract it from the first reading to determine the amount of the fuel pressure drop.
  4. Disconnect the fuel injector tester from the fuel injector.
  5. After turning the ignition switch to ON, in order to obtain maximum pressure once again, make a connection at the next fuel injector. Energize the fuel injector tester and record the fuel pressure reading. Repeat this procedure for all the injectors.
  6. Retest any of the fuel injectors that the pressure drop exceeds the 10 kPa (1.5 psi) of the average pressure drop value.
  7. Replace any of the fuel injectors that fail the retest.
  8. If the pressure drop of all of the fuel injectors is within 10 kPa (1.5 psi) of the average pressure drop value, then the fuel injectors are flowing normally and no replacement should be necessary.
  9. Reconnect the fuel injector harness and review the symptom diagnostic tables.
  10. An engine cool down period of 10 minutes is necessary in order to avoid irregular readings due to hot soak fuel boiling.
  11. Connect the fuel pressure gauge carefully to avoid any fuel spillage.
  12. The fuel pump should run about 2 seconds after the ignition is turned to the ON position.
  13. Insert a clear tube attached to the vent valve of the fuel pressure gauge into a suitable container.
  14. Bleed the air from the fuel pressure gauge and hose until all of the air is bled from the fuel pressure gauge.
  15. The ignition switch must be in the OFF position at least 10 seconds in order to complete the Engine Control Module (ECM) shutdown cycle.


To Previous PageTo Next Page
© Copyright Chevrolet Europe. All rights reserved