To the top of the document
Kalos/Aveo
To Previous PageTo Next Page
GMDE Start PageLoad static TOCLoad dynamic TOCHelp?

SECTION 9F

AUDIO SYSTEMS

Caution : Disconnect the negative battery cable before removing or installing any electrical unit or when a tool or equipment could easily come in contact with exposed electrical terminals. Disconnecting this cable will help prevent personal injury and damage to the vehicle. The ignition must also be in LOCK unless otherwise noted.

SPECIFICATION

Fastener Tightening Specifications

Application
N•m
Lb-Ft
Lb-In
Audio System Screws
6
-
53
Front Speaker Screws
3.5
-
31
Rear Speaker Screws
3
-
27
Back Glass Antenna Retaining Screw
3
-
27

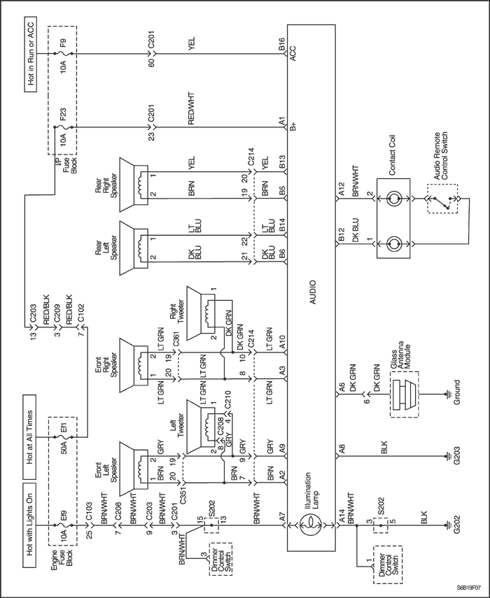
SCHEMATIC AND ROUTING DIAGRAMS

Audio System Circuit


S6B19F07
Display graphicTranslations of text in graphics


DIAGNOSIS

Stereo Cassette AM/FM Radio

CD Player Inoperative, AM/FM Functions OK

StepActionValue(s)YesNo
1
Using a good-quality CD, determine if the CD player performs poorly or is inoperative.
Does the CD player function correctly?
-
Go to Step 2
Go to Step 3
2
Inform the customer that the problem is with the CD, not the CD player.
Has the customer been informed?
-
System OK
-
3
Check the CD player for obstructions behind the tape door.
Is an obstruction found?
-
Go to Step 4
Go to Step 6
4
Check to see if the obstruction can be removed.
Can the obstruction be removed?
-
Go to Step 5
Go to Step 6
5
Remove the obstruction.
Is the repair complete?
-
System OK
-
6
Replace the CD player.
Is the repair complete?
-
System OK
-

AM/FM Cassette Radio Inoperative

StepActionValue(s)YesNo
1
Check fuses F21 and F9.
Are fuses F21 and F9 blown?
-
Go to Step 2
Go to Step 3
2
  1. Check for a short circuit and repair it, if necessary.
  2. Replace the blown fuses.
Is the repair complete?
-
System OK
-
3
  1. Use a voltmeter to test for battery voltage at fuse F21.
  2. Turn the ignition ON and test for battery voltage at fuse F9.
Does the battery voltagematch the specified value at fuses F21 and F9?
11-14 v
Go to Step 5
Go to Step 4
4
Repair the power supply circuit to the fuses.
Is the repair complete?
-
System OK
-
5
  1. Remove the cassette radio.
  2. Turn the ignition ON.
  3. Use a voltmeter to test for battery voltage at the audio system connector terminals A1 and A7.
Does the battery voltage match the specified value at both terminals?
11-14 v
Go to Step 7
Go to Step 6
6
Repair the open circuit between the audio system connector and the fuse.
Is the repair complete?
-
System OK
-
7
Use an ohmmeter to test the ground circuit at the audio system connector terminal A8.
Does the resistancematch the specified value?
≈ 0 Ω
Go to Step 9
Go to Step 8
8
Repair the open ground circuit between the audio system connector and ground G202.
Is the repair complete?
-
System OK
-
9
Replace the cassette radio.
Is the repair complete?
-
System OK
-

Cassette Player Inoperative, AM/FM Functions OK

StepActionValue(s)YesNo
1
Verify the customer complaint.
Does the cassette player destroy tapes?
-
Go to Step 5
Go to Step 2
2
Using a good-quality tape, determine whether the cassette player performs poorly or is inoperative.
Does the cassette player perform poorly?
-
Go to Step 5
Go to Step 3
3
Check the cassette player for obstructions behind the tape door.
Is an obstruction found?
-
Go to Step 4
Go to Step 8
4
Check to see if the obstruction can be removed using gentle force.
Is the obstruction removed?
-
Go to Step 5
Go to Step 6
5
Clean the cassette player head, the capstan, and the drive system.
Does the tape play properly?
-
Go to Step 7
Go to Step 6
6
Replace the cassette radio.
Is the repair complete?
-
System OK
-
7
Check the cassette player for normal operation.
Is the repair complete?
-
System OK
-
8
Advise the owner of a defective or worn tape.
Is the repair complete?
-
System OK
-

AM Does Not Work, FM and Cassette OK

StepActionValue(s)YesNo
1
Check the audio system for normal operation.
Is AM inoperative and the rest of the system operating properly?
-
Go to Step 2
System OK
2
Replace the radio.
Is the repair complete?
-
System OK
-

FM Radio Does Not Work, AM and Cassette OK

StepActionValue(s)YesNo
1
  1. Unplug the antenna cable from the antenna.
  2. Connect the test antenna to the antenna cable.
  3. Check the FM radio reception.
Is the FM radio operating properly?
-
Go to Step 2
Go to Step 3
2
Replace the antenna.
Is the repair complete?
-
System OK
-
3
  1. Remove the cassette radio from the instrument panel.
  2. Unplug the antenna cable from the audio system.
  3. Plug the test cable into the audio system.
  4. Check the FM radio reception.
Is the FM radio operating properly?
-
Go to Step 4
Go to Step 5
4
Replace the antenna cable between the audio system and the antenna.
Is the repair complete?
-
System OK
-
5
Replace the cassette radio.
Is the repair complete?
-
System OK
-

Speakers

Front Speakers Distorted or Inoperative, Rest of Audio System OK

StepActionValue(s)YesNo
1
  1. Turn the ignition and the radio ON.
  2. Check for distorted or inoperative front speakers using the fader and the balance controls with all of the sources (AM, FM, tape, CD).
Are the front speakers distorted?
-
Go to Step 2
Go to Step 4
2
Check the speaker and the door area for damage, rattles, or vibration.
Is there anything loose or in the way of the speaker causing the distortion?
-
Go to Step 3
Go to Step 4
3
Make the necessary repairs to secure the component causing the distortion.
Is the repair complete?
-
System OK
-
4
  1. Remove the front speakers and disconnect the speaker connector.
  2. Using an ohmmeter, test the speaker wires for a short to ground.
Does the ohmmeter show the specified value?
Go to Step 6
Go to Step 5
5
Repair the short circuit between the front speaker connector and the radio connector.
Is the repair complete?
-
System OK
-
6
Substitute a known good speaker for the speaker causing the distortion.
Is the distortion eliminated?
-
Go to Step 7
Go to Step 8
7
Replace the speaker.
Is the repair complete?
-
System OK
-
8
Replace the cassette radio.
Is the repair complete?
-
System OK
-

Rear Speakers Distorted or Inoperative, Rest of Audio System OK

StepActionValue(s)YesNo
1
  1. Turn the ignition and the radio on.
  2. Check for distorted or inoperative rear speakers using the fader and the balance controls with all the of the sources (AM, FM, tape, CD).
Are the rear speakers distorted?
-
Go to Step 2
Go to Step 4
2
Check the speakers, the rear deck, and the trunk area for damage, rattles, or vibration.
Is there anything loose or in the way of the speaker causing the distortion?
-
Go to Step 3
Go to Step 4
3
Make the necessary repairs to secure the component causing the distortion.
Is the repair complete?
-
System OK
-
4
  1. Disconnect the rear speakers.
  2. Using an ohmmeter, test the speaker wires for a short to ground.
Does the ohmmeter show the specified value?
Go to Step 6
Go to Step 5
5
Repair the short circuit between the rear speaker connector and the radio connector.
Is the repair complete?
-
System OK
-
6
Substitute a known good speaker for the speaker causing the distortion.
Is the distortion eliminated?
-
Go to Step 7
Go to Step 8
7
Replace the speaker.
Is the repair complete?
-
System OK
-
8
Replace the audio system.
Is the repair complete?
-
System OK
-

MAINTENANCE AND REPAIR

ON-VEHICLE SERVICE



S6B19F01
Display graphicTranslations of text in graphics


Audio System

Removal Procedure

  1. Disconnect the negative battery cable.
  2. Remove the audio system trim molding.
  3. Remove the screws and the audio system.
  4. Disconnect the audio system electrical connector and the antenna cable.


S6B19F02
Display graphicTranslations of text in graphics


Installation Procedure

  1. Connect the audio system electrical connector and the antenna cable.
  2. Install the audio system with the screws.
  3. Tighten
    Tighten the audio system screws to 6 N•m (53 lb-in).

  4. Install the audio system trim molding.
  5. Connect the negative battery cable.
  6. Enter the audio security system four-digit code. Refer to "Audio Security System" in this section.


T3B19F03
Display graphicTranslations of text in graphics


Front Speakers

Removal Procedure

  1. Disconnect the negative battery cable.
  2. Remove the front door trim panel. Refer to Section 9G, Interior Trim.
  3. Remove the screws and the front speaker.
  4. Disconnect the electrical connector.


T3B19F03
Display graphicTranslations of text in graphics


Installation Procedure

  1. Connect the electrical connector.
  2. Install the front speaker with the screws.
  3. Tighten
    Tighten the front speaker screws to 3.5 N•m (31 lb-in).

  4. Install the front door trim panel. Refer to Section 9G, Interior Trim.
  5. Connect the negative battery cable.


S6B19F03
Display graphicTranslations of text in graphics


Rear Speakers

Removal Procedure

  1. Disconnect the negative battery cable.
  2. Remove the deck lid sill plate trim cover. Refer to Section9G, Interior Trim.
  3. Disconnect the electrical connector.


  4. S6B19F04
    Display graphicTranslations of text in graphics


  5. Remove the screws and the rear speakers.


S6B19F04
Display graphicTranslations of text in graphics


Installation Procedure

  1. Install the rear speakers with the screws.
  2. Tighten
    Tighten the rear speaker screws to 3 N•m (27 lb-in).



    S6B19F03
    Display graphicTranslations of text in graphics


  3. Connect the electrical connector.
  4. Install the rear seatback and the rear seat cushion. Refer to Section 9H, Seats.
  5. Connect the negative battery cable.


S6B19G13
Display graphicTranslations of text in graphics


Back Glass Antenna Module

Removal Procedure

  1. Disconnect the negative battery cable.
  2. Remove the C-pillar trim panel. Refer to Section 9G, Interior Trim.
  3. Disconnect the electrical connector.
  4. Remove the screws and the glass antenna module.


S6B19F05
Display graphicTranslations of text in graphics


Installation Procedure

  1. Install the glass antenna module with the screws.
  2. Connect the electrical connectors.
  3. Install the C-piller trim Panel. Refer to Section 9G, Interior Trim.
  4. Connect the negative battery cable.
  5. Tighten
    Tighten the glass antenna module screws to 2.5-3.5 N•m (22-31 lb-in).



T3B19F08
Display graphicTranslations of text in graphics


Tweeter Speakers

Removal Procedure

  1. Disconnect the negative battery cable.
  2. Pry off the A-pillar trim panel.
  3. Disconnect the electrical connector.
  4. Remove the tweeter.


T3B19F08
Display graphicTranslations of text in graphics


Installation Procedure

  1. Install the tweeter.
  2. Connect the electrical connector.
  3. Install the A-pillar trim panel.
  4. Connect the negative battery cable.


S6B19F06
Display graphicTranslations of text in graphics


Audio Remote Controller

Removal Procedure

  1. Disconnect the negative battery cable.
  2. Disconnect the negative battery cable.
  3. Remove the screws and the audio remote controller.


S6B19F06
Display graphicTranslations of text in graphics


Installation Procedure

  1. Install the audio remote controller with the screws.
  2. Install the audio remote controller with the screws.
  3. Connect the negative battery cable.

GENERAL DESCRIPTIONAND SYSTEM OPERATION

Stereo Cassette AM/FM Radio

The stereo cassette AM/FM radio is standard and the compact disc player is offered as optional equipment. All audio systems use four speakers: two speakers mounted in the front doors and two speakers mounted behind the rear seats.

Audio Security System (General Only)

The audio security system is activated whenever the audio system circuit is disconnected from the battery. A four-digit security code must be entered for the audio system to resume functioning. The security code is stamped on a card located in the vehicle (usually in the glove box). The following security code entering procedure must be used to deactivate the audio security system:
  1. With the ignition switch in the ACC position, turn the radio on. At this time, "CODE" will be shown on the radio display, accompanied by chime sounds.
  2. Enter the four-digit security number using the radio preset buttons 1 through 6,(or 1 through 8 if equipped).
  3. After all four digits are entered, the digits will blink three times, and the radio will be functional.

Wrong Code:

If the wrong code is entered, "ERR" will briefly appear on the display. After this "CODE" will appear, and the code entering procedure can be performed once again. If the correct code is not entered within 10 minutes, the radio should be disconnected from the battery to reset the audio system. After connecting the battery, repeat the code entering procedure.

Back Glass Antenna Module

Back glass antenna module is located on C-pillar and don't have an antenna pole.

Front and Rear Speakers

All audio systems use four speakers: two speakers mounted in the front doors and two speakers mounted in the rear deck lid sill plate, on the notchback. On the hatchback, the rear speakers are mounted in the luggage compartment wheelhouse trim panel. A coaxial two-way rear speaker is offered as an option.

Tape Player and Cassette Care

The head and the capstan are the two parts of the tape player that should be cleaned. This service should be performed every 100 hours of cassette operation.
In order to clean the head and the capstan, use a cotton swab dipped in rubbing alcohol.
A cassette cleaning kit may also be used to clean the head and the capstan. Follow the cleaning kit instructions to clean the tape player.
Do not touch the tape head with magnetized tools. If the head becomes magnetized, it will degrade cassettes played in the player. No service is performed on the cassettes. The cassette manufacturer handles warranties of the cassettes. Store cassettes away from extreme heat and direct sunlight.

Compact Disc Care

Handle discs carefully. Store the discs in protective cases away from the sun, heat, and dust. If the surface is soiled, dampen a clean, soft cloth in a solution of mild neutral detergent and wipe the disc clean.

Setting the Area Code (General Only)

When you turn on the 'Power' button, 'AF' will be displayed.
The cunsumer must select the area code as per map in the owner's manual.
If you select wrong area code, you must re-install the audio connector. (or can be possible to take off Audio fuse.)
The area code refer to the audio owner's manual.


To Previous PageTo Next Page
© Copyright Chevrolet Europe. All rights reserved