Diagnostic Trouble Code (DTC) P0420
Catalyst System Low Efficiency
Circuit Description
In order to control exhaust emissions of Hydrocarbons (HC), Carbon Monoxide (CO) and Nitrogen Oxide (NOx), a Three-Way Catalytic Converter (TWC) is used. The catalyst within the converter promotes a chemical reaction which oxidizes the HC and CO present in the exhaust gas, converting them into harmless water vapor and carbon dioxide, it also reduces NOx, converting it into nitrogen. The catalytic converter also has the ability to store oxygen. The Engine Control Module (ECM) has the capability to monitor this process using a Heated
Rear Heated Oxygen Sensor (HO2S2) located in the exhaust stream past the TWC. The HO2S2 produces an output signal which indicates the oxygen storage capacity of the catalyst; this in turn indicates the catalyst's ability to convert exhaust emissions effectively. The ECM monitors the catalyst efficiency by first allowing the catalyst to heat up, waiting for a stabilization period while the engine is idling, and then adding and removing fuel while monitoring the reaction of the HO2S2. When the catalyst is functioning properly, the HO2S2 response to the extra fuel is slow compared to the Front Heated Oxygen Sensor (HO2S1). When the HO2S2 response is close to that of the HO2S1, the Oxygen storage capability or efficiency of the catalyst is considered to be bad, and the Malfunction Indicator Lamp (MIL) will illuminate.
Conditions for Setting the DTC
- Oxygen storage capacity index time is less than 0.6 seconds.
- Before idle test, the vehicle needs to be driven for at least:
- 10 seconds at airflow is greater than 7 g/sec. for manual transaxle (SOHC).
- Oxygen Sensor Capacity test condition:
- Closed loop stoichiometry.
- Purge concentration learned.
- Engine is running more than 360 seconds.
- Airflow is between 2 and 5.5 g/sec (M/T).
- Airflow is between 2.2 and 6.0 g/sec (A/T).
- Throttle Position (TP) sensor is less than 1.5%.
- Engine Coolant Temperature (ECT) is between 70 °C (158 °F) and 105 °C (221 °F).
- Intake Air Temperature (IAT) is between -7 °C (19.4 °F) and 105 °C (221 °F).
- Barometric pressure (BARO) is greater than 72 kPa (10.4 psi).
- Catalyst temperature is between 500°C and 800°C.
- Closed Loop integrator change is less than 0.04 .
- Idle time is less than 1 minute.
- Vehicle speed is less than 3 km/h (1.9 mph).
- Block Learn Mode is learned.
- Above condition is stabilized for 5 seconds.
Note : Test is aborted for this idle if:
- Change in engine speed is greater than 80 rpm.
- A/C status changed.
- Cooling fan status changed.
- Insufficient air/fuel shift.
- DTC(s) P0106, P0107, P0108, P0117, P0118, P0122, P0123, P0131, P0132, P0133, P1133, P0134, P0135, P0137, P0138, P0140, P0141, P0171, P0172, P0201, P0202, P0203, P0204, P0300, P0336, P0342, P0351, P0352, P0402, P0404, P0405, P0406, P0443, P0502, P0506, P0507, and P0562 are not set.
Action Taken When the DTC Sets
- The Malfunction Indicator Lamp (MIL) will illuminate.
- The ECM will record operating conditions at the time the diagnostic fails. This information will be stored in the Freeze Frame and Failure Records buffers.
- A history DTC is stored.
Conditions for Clearing the MIL/DTC
- The MIL will turn off after four consecutive ignition cycles in which the diagnostic runs without a fault.
- A history DTC will clear after 40 consecutive warm-up cycles without a fault.
- DTC(s) can be cleared by using the scan tool.
- Disconnecting the ECM battery feed for more than 10 seconds.
Diagnostic Aids
The catalyst test may abort due to a change in the engine load. Do not change the engine load (i.e. A/C, coolant fan, heater motor) while a catalyst test is in progress.
An intermittent problem may be caused by a poor connection, rubbed-through wire insulation, or a wire that is broken inside the insulation.
Any circuitry, that is suspected as causing the intermittent complaint, should be thoroughly checked for the following conditions:
- Backed-out terminals
- Improper mating
- Broken locks
- Improperly formed
- Damaged terminals
- Poor terminal-to-wire connection
Test Description
Number(s) below refer to the step number(s) on the Diagnostic Table.
- The On-Board Diagnostic (EOBD) System Check prompts the technician to complete some basic checks and store the freeze frame and failure records data on the scan tool if applicable. This creates an electronic copy of the data taken when the malfunction occurred. The information is then stored on the scan tool for later reference.
- If any component DTCs are set, diagnose those DTCs first. A fault in a component can cause the converter to appear degraded or may have caused its failure.
- This step includes checks for conditions that can cause the three-way catalytic converter to appear degraded. Repair any problems found before proceeding with this table.
- If the three-way catalytic converter needs to be replaced, make sure that another condition is not present which would cause the converter to become damaged. These conditions may include the following: misfire, high engine oil or coolant consumption, and/or retarded spark timing or weak spark. To avoid damaging the replacement converter, correct any possible causes of converter damage before replacing the catalytic converter.
- Clearing DTCs allows the catalyst test to be run up to 6 times this ignition cycle. Once the ignition is cycled, the test will run only once. Driving the vehicle heats the catalyst to a test temperature. The ECM must see predetermined amount of time at above idle before allowing the catalyst test to run at idle. Once at idle, the ECM will allow the system to stabilize and then test the catalyst in 2 stages.
- If no faults have been found at this point and no additional DTCs were set, refer to "Diagnostic Aids" in this section for additional checks and information.
DTC P0420 - Catalyst System Low Efficiency
| Step | Action | Value(s) | Yes | No |
| 1 | Perform an On-Board Diagnostic (EOBD) System Check. Was the check performed? | - | Go to Step 2 | |
| 2 | - Install a scan tool to the Data Link Connector (DLC).
- Turn the ignition ON.
Are any component Diagnostic Trouble Codes (DTCs) set? | - | Go to applicable DTC tables | Go to Step 3 |
| 3 | Visually/physically check the following: - Exhaust system for a leak.
- Rear Heated Oxygen Sensor (HO2S2)
Is a problem found? | - | Go to Step 4 | Go to Step 5 |
| 4 | Repair the exhaust system as needed. Is the repair complete? | - | Go to Step 6 | - |
| 5 | Replace the Three Way Catalytic Converter (TWC). Is the repair complete? | - | Go to Step 6 | - |
| 6 | - Using the scan tool, clear the Diagnostic Trouble Codes (DTCs).
- Start the engine and idle at normal operating temperature.
- Operate the vehicle within the Conditions for setting this DTC as specified in the supporting text.
Does the scan tool indicate that this diagnostic has run and passed? | - | Go to Step 7 | Go to Step 2 |
| 7 | Check if any additional DTCs are set. Are any DTCs displayed that have not been diagnosed? | - | Go to Applicable DTC table | System OK |
Diagnostic Trouble Code (DTC) P042E
Exhaust Gas Recirculation (EGR) Closed Position Performance
Circuit Description
An Exhaust Gas Recirculation (EGR) system is used to lower Oxides of Nitrogen (NOx) emission levels caused by high combustion temperatures. It accomplishes this by feeding small amounts of exhaust gases back into the combustion chamber.When the air/fuelmixture is diluted with the exhaust gases, combustion temperaturesare reduced.
A linear EGR valve is used on this system. The linearEGR valve is designed to accurately supply exhaustgases to the engine without the use of intake manifoldvacuum. The valve controls exhaust flow going into theintake manifold from the exhaust manifold through anorifice with an Engine Control Module (ECM) controlledpintle. The ECM controls the pintle position using inputsfrom the Throttle Position (TP) and Manifold AbsolutePressure (MAP) sensors. The ECM then commands theEGR valve to operate when necessary by controlling anignition signal through the ECM. This can be monitoredon a scan tool as the Desired EGR Position.
The ECM monitors the results of its command through afeedback signal. By sending a 5 volt reference and aground to the EGR valve, a voltage signal representingthe EGR valve pintle position is sent to the ECM. This feedback signal can also be monitored on a scan tooland is the actual position of the EGR pintle. The ActualEGR Position should always be near the commanded orDesired EGR Position.
Conditions for Setting the DTC
- Difference between current and learned low positionis greater than 10%.
- Desired EGR position is equal to 0.
- Engine is running.
- Ignition voltage is between 11.7 and 16 volts.
- Intake Air Temperature (IAT) is between 3°C.
- DTCs P0112, P0113, P0405, P0406, and P0502 arenot set.
Action Taken When the DTC Sets
- The Malfunction Indicator Lamp (MIL) will illuminate, after three consecutive trip with a fail.
- The ECM will record operating conditions at the timethe diagnostic fails. This information will be stored inthe Freeze Frame and Failure Records buffers.
- A history Diagnostic Trouble Code (DTC) is stored.
- EGR is disabled.
Conditions for Clearing the MIL/DTC
- The MIL will turn off after three consecutive ignition cycles in which the diagnostic runs without a fault.
- A history DTC will clear after 80 consecutive warm-up cycles without a fault.
- DTC(s) can be cleared by using the scan tool.
- Disconnecting the ECM battery feed for more than 10seconds.
Diagnostic Aids
Due to moisture associated with exhaust systems, the EGR valve may freeze and stick in cold weather. After the vehicle is brought into a warm shop for repairs, the valve warms and the problem disappears. By watching the Actual EGR and Desired EGR Positions on a cold vehicle with a scan tool, the fault can be easily verified. Check the freeze frame data to determine if the DTC set when the vehicle was cold by viewing the Engine Coolant Temperature (ECT).
Test Description
Number(s) below refer to the step number(s) on the Diagnostic Table.
- The On-Board Diagnostic (EOBD) System Check prompts the technician to complete some basic checks and store the freeze frame and failure records data on the scan tool if applicable. This creates an electronic copy of the data taken when the malfunction occurred. The information is then stored on the scan tool for later reference.
- Commanding the EGR valve open determines whether the EGR system can control the EGR valve accurately and if the fault is present.
- When the EGR valve electrical connector is disconnected,the scan tool should display the Actual EGR Position as 0%. If it does not, the fault lies either in the EGR signal circuit or the ECM.
- If the ERG valve 5 volt reference is shorted to voltage, the Digital Voltmeter (DVM) will read battery voltage and additional DTCs may be set and engine performance will be poor.
- The replacement ECM must be reprogrammed. Referto the latest Techline procedure for ECM reprogramming.
- An open or poor connection condition may have caused this DTC to set. Be sure to check the terminals for being backed out, improperly formed or damaged, and for poor tension.
- All circuits to the EGR valve are OK at this point. The fault lies internally in the EGR valve and therefore must be replaced. Be sure all gasket material is removed from the EGR mounting surface. Even a small amount of material may cause a DTC P0401 to set.
- Check the terminals for being backed out, improperly formed or damaged, and for poor tension.
- Clearing DTCs is a very important step for this diagnostic. The clearing function allows the EGR valve to relearn a new pintle position as the old pintle position was inaccurate due to the failure that caused the DTC. The DTC must be cleared with the ignition ON, engine OFF or when the engine is idling. If the ECM sees a EGR command, the new pintle will not be learned.
- If no malfunctions have been found at this point and no additional DTCs were set, refer to "Diagnostic Aids" in this section for additional checks and information.
DTC P042E - Exhaust Gas Recirculation (EGR) Closed Position Performance
| Step | Action | Value(s) | Yes | No |
| 1 | Perform an On-Board Diagnostic (EOBD) System Check. Was tht check Performed? | - | Go to Step 2 | |
| 2 | - Install a scan tool to the Data Link Connector(DLC).
- Turn the ignition ON.
- Command the Exhaust Gas Recirculation (EGR)valve to the specific values.
Does the Actual EGR Position follow the DesiredEGR Position? | 25%, 50%, 75%, 100% | Go to Step 13 | Go to Step 3 |
| 3 | - Turn the ignition OFF.
- Disconnect the EGR valve.
Is the Actual EGR Position near the specified value? | 100% | Go to Step 4 | Go to Step 5 |
| 4 | Check the signal circuit terminal 3 at the EGR wiring harness connector for a short to voltage and repair as needed. Is a repair complete? | - | Go to Step 13 | Go to Step 6 |
| 5 | With a voltmeter connected to the ground, probe the 5 volt reference circuit at terminal 4 of the EGR valve wiring harness connector. Is the voltage near the specified value? | 5 v | Go to Step 7 | Go to Step 8 |
| 6 | - Turn the ignition OFF.
- Replace the Engine Control Module (ECM).
Is the repair complete? | - | Go to Step 13 | - |
| 7 | With a teat light connected to ground, probe the EGR valve wiring harness connector terminal 1. Does the test light illuminate? | - | Go to Step 9 | Go to Step 10 |
| 8 | Check the 5 volt reference circuit for a short to voltage and repair as needed. Is a repair complete? | - | Go to Step 13 | Go to Step 6 |
| 9 | Check the control circuit for a short to voltage and repair as needed. Is the repair complete? | - | Go to Step 13 | Go to Step 6 |
| 10 | Check the EGR ground circuit for an open or poor connection at the EGR valve harness connector and repair as needed. Is a repair necessary. | - | Go to Step 13 | Go to Step 12 |
| 11 | - Turn the ignition OFF.
- Replace the EGR valve.
Is the repair complete? | - | Go to Step 13 | - |
| 12 | Check the ECM connector for a poor connection andrepair as needed. Is the repair complete? | - | Go to Step 13 | Go to Step 11 |
| 13 | - Using the scan tool, clear the Diagnostic Trouble Codes (DTCs).
- Start the engine and idle at normal operating temperature.
- Operate the vehicle within the Conditions for setting this DTC as specified in the supporting text.
Does the scan tool indicate that this diagnostic ran and passed? | - | Go to Step 14 | Go to Step 2 |
| 14 | Check if any additional DTCs are set. Are any DTCs displayed that have not been diagnosed? | - | Go to Applicable DTC table | System OK |



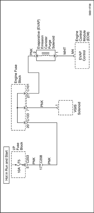
Diagnostic Trouble Code (DTC) P0443
Evaporative Emission (EVAP) Purge Solenoid Control Circuit
System Description
The Evaporative Emission (EVAP) system includes the following components:
- Fuel tank
- Fuel tank pressure sensor.
- Fuel pipes and hoses.
- Fuel vapor lines.
- Fuel cap
- EVAP canister.
- Purge lines.
- EVAP emission canister purge solenoid valve.
- EVAP service port.
The EVAP purge canister solenoid is controlled by the Engine Control Module (ECM). The ECM applies a ground to the EVAP purge canister solenoid. The ECM determines when to activate the EVAP canister purge solenoid depending on operating conditions, including Throttle Position (TP), engine speed, Engine Coolant Temperature (ECT) and ambient temperature.
The Diagnostic Trouble Code will detect an open or short circuit.
Conditions for Setting the DTC
- Ignition ON.
- Ignition voltage is greater than 11 v.
Action Taken When the DTC Sets
- The Malfunction Indicator Lamp (MIL) will illuminate after three consecutive trip with a fail.
- The ECM will record operating conditions at the time the diagnostic fails. This information will be stored in the Freeze Frame and Failure Records buffers.
- A history DTC is stored.
Conditions for Clearing the MIL/DTC
- The MIL will turn off after four consecutive ignition cycles in which the diagnostic runs without a fault.
- A history DTC will clear after 40 consecutive warm-up cycles without a fault.
- DTC(s) can be cleared by using a scan tool.
- Disconnecting the ECM battery feed for more than 10 seconds.
Diagnostic Aids
Using Freeze Frame and/or Failure Records data may aid in locating an intermittent condition. If the DTC cannot be duplicated, the information included in the Freeze Frame and/or Failure Records data can be useful in determining how many miles since the DTC set. The Fail Counter and the Pass Counter can also be used to determine how many ignition cycles the diagnostic reported a pass and/or a fail. Operate the vehicle within the same freeze frame conditions (rpm, load, vehicle speed, temperature, etc.) that were noted. This will isolate when the DTC failed.
DTC P0443 - Evaporative Emission (EVAP) Purge Solenoid Control Circuit
| Step | Action | Value(s) | Yes | No |
| 1 | Perform an On-Board Diagnostic (EOBD) System Check. Was the check performed? | - | Go to Step 2 | |
| 2 | - Install a scan tool to the Data Link Connector (DLC).
- Turn the ignition ON.
- Command the Evaporative Emission (EVAP) Purge Solenoid ON and OFF.
Does the solenoid turn ON and OFF with each command. | ON-99% OFF-0% | Go to Step 3 | Go to Step 5 |
| 3 | - Turn the ignition OFF.
- Disconnect the Engine Control Module (ECM) connector.
- Turn the ignition ON.
- Using a ammeter on a 10 ampere scale, measure the current between the solenoid control circuit, terminal M4 at the ECM connect and ground for 2 minutes.
Does the current draw measure less than the specified value? | 0.75 A | | Go to Step 4 |
| 4 | - Disconnect the solenoid.
- Using ohmmeter measure the resistance between the solenoid control circuit, terminal M4 of the ECM connector and ground.
Does the ohmmeter display infinite resistance? | - | Go to Step 12 | Go to Step 10 |
| 5 | - Turn the ignition OFF.
- Disconnect the solenoid.
- Connect a test light between the terminal 2 and 1 of the solenoid.
- Turn the ignition ON.
- Using the scan tool, command the solenoid ON and OFF.
Does the test light turn ON and OFF with each command? | - | Go to Step 8 | Go to Step 6 |
| 6 | With a test light connected to ground, probe the ignition feed circuit, terminal 2 in the solenoid harness connector. | - | Go to Step 7 | Go to Step 11 |
| 7 | - Turn the ignition OFF.
- Reconnect the solenoid.
- Disconnect the ECM connector.
- Turn the ignition ON.
- With a fused jumper wire connected to ground, probe the solenoid control circuit terminal M4 in the ECM connector.
Does the solenoid operate? | - | Go to Step 9 | Go to Step 10 |
| 8 | Check the connections at the solenoid. Is a problem found and corrected? | - | Go to Step 14 | Go to Step 12 |
| 9 | Check the connections at the ECM. Is a problem found and corrected? | - | Go to Step 14 | Go to Step 13 |
| 10 | Repair the faulty solenoid control circuit. Is the repair complete? | - | Go to Step 14 | - |
| 11 | Repair the faulty solenoid ignition feed circuit. Is the repair complete? | - | Go to Step 14 | - |
| 12 | - Turn the ignition OFF.
- Replace the solenoid.
Is the repair complete? | - | Go to Step 14 | - |
| 13 | - Turn the ignition OFF.
- Replace ECM.
Is the repair complete? | - | Go to Step 14 | - |
| 14 | - Using the scan tool, clear the Diagnostic Trouble Codes (DTCs).
- Start the engine and idle at normal operating temperature.
- Operate the vehicle within the Conditions for setting this DTC as specified in the supporting text.
Does the scan tool indicate that this diagnostic has run and passed? | - | Go to Step 15 | Go to Step 2 |
| 15 | Check if any additional DTCs are set. Are any DTCs displayed that have not been diagnosed? | - | Go to Applicable DTC table | System OK |
Diagnostic Trouble Code (DTC) P0461
Fuel Level Sensor Performance
Circuit Description
The Engine Control Module (ECM) uses the signal from the fuel level sensor to calculate expected vapor pressure within the fuel system. Vapor pressure varies as the fuel level changes. The fuel level signal also used to determine if the fuel level is too high or too low to be able to detect Evaporative Emission (EVAP) system faults. This Diagnostic Trouble Code (DTC) indicates the fuel level stuck.
Conditions for Setting the DTC
- Change in fuel level sensor output is less than 3.5% after 250 km (155 mile) driving.
- Ignition ON.
- DTCs P0462, P0463 and P0502 are not set.
Action Taken When the DTC Sets
- The Malfunction Indicator Lamp (MIL) will not illuminate.
- The ECM will record operating conditions at the time the diagnostic fails. This information will be stored in Failure Records buffers.
- A history DTC is stored.
Conditions for Clearing the MIL/DTC
- A history DTC will clear after 40 consecutive warm-up cycles without a fault.
- DTC(s) can be cleared by using the scan tool.
- Disconnecting the ECM battery feed for more than 10 seconds.
Diagnostic Aids
An intermittent may be caused by a poor connection, rubbed-through wire insulation or a wire broken inside the rubber.
Check for a poor connection or damaged ECM harness. Inspect the fuel level circuit terminal for the following conditions:
- Improper mating.
- Broken locks.
- Improperly formed.
- Damaged terminals.
- Poor terminal-to-wire connection.
- Damaged harness.
Test Description
The number(s) below refer to step(s) on the diagnostic table.
- The On-Board Diagnostic (EOBD) System Check prompts the technician to complete some basic checks and store the freeze frame and failure records data on the scan tool if applicable. This creates an
- Determine if fault is present. Reviews Freeze Frame data to determine when the DTC set. Always record this information.
DTC P0461 - Fuel Level Sensor Performance
| Step | Action | Value(s) | Yes | No |
| 1 | Perform an On-Board Diagnostic (EOBD) System Check. Is the system check complete? | - | Go to Step 2 | |
| 2 | - Install a scan tool to the Data Link Connector (DLC).
- Start the engine and operate the vehicle over the specified mileage.
Is any of the Diagnostic trouble Codes (DTCs) P0462, P0463 or P0502 set? | 250 km (155 mile) | Go to Applicable DTC table | Go to Step 3 |
| 3 | - Turn the ignition OFF.
- Disconnect the fuel pump connector.
- Turn the ignition ON.
- Using a voltmeter, measure the fuel level signal voltage at the fuel level sensor connector terminal 1.
Is the voltage within the specified value? | 4-5 volts | Go to Step 4 | Go to Step 5 |
| 4 | - Disconnect the Engine Control Module (ECM).
- Check the fuel level sensor ground circuit for an open between terminal 6 of the fuel sensor connector and terminal K34 of the ECM and repair as needed.
Is the repair complete? | - | Go to Step 10 | Go to Step 6 |
| 5 | Using a voltmeter, measure the voltage at the ECM connector terminal K34 by back-probing the ECM connector. Is the voltage within the specified value? | 4-5 V | Go to Step 8 | Go to Step 9 |
| 6 | - Remove the fuel pump from the fuel tank.
- Reconnect the fuel pump connector.
- Turn the ignition ON.
- Monitor the fuel level sensor parameter on the scan tool while moving the fuel sensor float from empty position to full position.
- Repeat procedure 4 several times.
Does the fuel level sensor vale on the scan tool increase and then decrease steadily when the float is moved? | - | | Go to Step 7 |
| 7 | - Turn the ignition OFF.
- Replace the fuel pump assembly.
| - | Go to Step 10 | - |
| 8 | - Turn the ignition OFF.
- Disconnect the ECM connector.
- Check the fuel level signal circuit fir an open or short to ground between terminal K51 and fuel pump harness connector terminal 1 and repair as needed.
Is the repair complete? | - | Go to Step 10 | - |
| 9 | - Turn the ignition OFF.
- Replace the ECM.
Is the repair complete? | - | Go to Step 10 | - |
| 11 | - Using the scan tool, clear the Diagnostic Trouble Codes (DTCs).
- Start the engine and idle at normal operating temperature.
- Operate the vehicle within the conditions for setting this DTC as specified in the supporting text.
Does the scan tool indicate that this diagnostic ran and passed? | - | Go to Step 11 | Go to Step 2 |
| 12 | Check if any additional DTCs are set. Are any DTCs displayed that have not been diagnosed? | - | Go to Applicable DTC table | System OK |
Diagnostic Trouble Code (DTC) P0462
Fuel Level Sensor Circuit Low Voltage
Circuit Description
The Engine Control Module (ECM) uses the signal from the fuel level sensor to calculate expected vapor pressure within the fuel system. Vapor pressure varies as the fuel level changes. The fuel level signal also used to determine if the fuel level is too high or too low to be able to detect Evaporative Emission (EVAP) system faults. This Diagnostic Trouble Code (DTC) detects a continuous short to low or open in either the signal circuit or the fuel level sensor.
Conditions for Setting the DTC
- Fuel level sensor output is less than 3% of sensor reading scale.
- Ignition ON.
Action Taken When the DTC Sets
- The Malfunction Indicator Lamp (MIL) will not illuminate.
- The ECM will record operating conditions at the time the diagnostic fails. This information will be stored in Failure Records buffers.
- A history DTC is stored.
Conditions for Clearing the MIL/DTC
- A history DTC will clear after 40 consecutive warm-up cycles without a fault.
- DTC(s) can be cleared by using the scan tool.
- Disconnecting the ECM battery feed for more than 10 seconds.
Diagnostic Aids
Inspect harness connector for backed-out terminal, improper mating, broken locks, improperly formed or damaged terminals, and poor terminal-to-wire connection.
Inspect wiring harness for damage.
A stuck fuel level sensor may cause the DTC set.
If the DTC cannot be duplicate, the information included on the Failure record data can be useful in determine vehicle conditions when the DTC was first set.
Resistance checks for fuel level sensor:
- Empty = 280 ohms or over.
- Half Full = about 90 ohms.
- Full = 38 ohms or less
Test Description
The number(s) below refer to step(s) on the diagnostic table.
- The On-Board Diagnostic (EOBD) System Check prompts the technician to complete some basic checks and store the freeze frame and failure records data on the scan tool if applicable. This creates an electronic copy of the data taken when the malfunction occurred. The information is then stored on the scan tool for later reference.
- Determine if fault is present. Review Freeze Frame data to determine when the DTC set. Always record this information.
DTC P0462 - Fuel Level Sensor Circuit Low Voltage
| Step | Action | Value(s) | Yes | No |
| 1 | Perform an On-Board Diagnostic (EOBD) System Check. Was the check performed? | - | Go to Step 2 | |
| 2 | - Install a scan tool to the Data Link Connector (DLC).
- Start the engine and operate the vehicle within Failure Record condition as noted.
Is Diagnostic trouble Codes (DTCs) P0462 set? | - | Go to Step 3 | Go to |
| 3 | - Turn the ignition OFF.
- Disconnect the fuel pump connector.
- Turn the ignition ON.
- Using a voltmeter, measure the fuel level signal voltage at the fuel level sensor connector terminal 1.
Is the voltage within the specified value? | 0.4 - 4.5 V | Go to Step 4 | Go to Step 6 |
| 4 | Check for a proper ground connection at the fuel tank and repair as needed. Is the repair complete? | - | Go to Step 11 | Go to Step 5 |
| 5 | - Remove the fuel pump from the fuel tank.
- Reconnect the fuel pump connector.
- Turn the ignition ON.
- Monitor the fuel level sensor parameter on the scan tool while moving the fuel sensor float from empty position to full position.
- Repeat procedure 4 several times.
Does the fuel level sensor vale on the scan tool increase and then decrease steadily when the float is moved? | - | | Go to Step 8 |
| 6 | Check for an open or short to ground in the fuel level sensor circuit and repair as needed. Is the repair necessary? | - | Go to Step 11 | Go to Step 9 |
| 7 | Repair the open or short to ground in the fuel level sensor circuit between the fuel level sensor harness connector and fuel level sensor. Is the repair complete? | - | Go to Step 11 | - |
| 8 | - Turn the ignition OFF.
- Replace the fuel pump assembly.
Is the repair complete? | - | Go to Step 11 | - |
| 9 | - Turn the ignition OFF.
- Connect the fuel pump connector.
- Disconnect the engine Control Module (ECM) connector.
- Turn the ignition ON.
- Using a digital voltmeter, measure the voltage in the signal circuit at terminal K51.
Is the voltage within the specified value? | 4-5 V | Go to Step 10 | |
| 10 | - Turn the ignition OFF.
- Replace the ECM.
Is the repair complete? | - | Go to Step 11 | - |
| 11 | - Using the scan tool, clear the Diagnostic Trouble Codes (DTCs).
- Start the engine and idle at normal operating temperature.
- Operate the vehicle within the Conditions for setting this DTC as specified in the supporting text.
Does the scan tool indicate that this diagnostic has run and passed? | - | Go to Step 12 | Go to Step 2 |
| 12 | Check if any additional DTCs are set. Are any DTCs displayed that have not been diagnosed? | - | Go to Applicable DTC table | System OK |
Diagnostic Trouble Code (DTC) P0463
Fuel Level Sensor Circuit High Voltage
Circuit Description
The Engine Control Module (ECM) uses the signal from the fuel level sensor to calculate expected vapor pressure within the fuel system. Vapor pressure varies as the fuel level changes. The fuel level signal also used to determine if the fuel level is too high or too low to be able to detect Evaporative Emission (EVAP) system faults. This Diagnostic Trouble Code (DTC) detects a continuous short to low or open in either the signal circuit or the fuel level sensor.
Conditions for Setting the DTC
- Fuel level sensor output is greater than 85% of sensor reading scale.
- Ignition ON.
Action Taken When the DTC Sets
- The Malfunction Indicator Lamp (MIL) will not illuminate.
- The ECM will record operating conditions at the time the diagnostic fails. This information will be stored in Failure Records buffers.
- A history DTC is stored.
Conditions for Clearing the MIL/DTC
- A history DTC will clear after 40 consecutive warm-up cycles without a fault.
- DTC(s) can be cleared by using the scan tool.
- Disconnecting the ECM battery feed for more than 10 seconds.
Diagnostic Aids
Inspect harness connector for backed-out terminal, improper mating, broken locks, improperly formed or damaged terminals, and poor terminal-to-wire connection.
Inspect wiring harness for damage.
A stuck fuel level sensor may cause the DTC set.
If the DTC cannot be duplicate, the information included on the Failure record data can be useful in determine vehicle conditions when the DTC was first set.
Resistance checks for fuel level sensor:
- Empty = 280 ohms or over.
- Half Full = about 90 ohms.
- Full = 38 ohms or less.
Test Description
The number(s) below refer to step(s) on the diagnostic table.
- The On-Board Diagnostic (EOBD) System Check prompts the technician to complete some basic checks and store the freeze frame and failure records data on the scan tool if applicable. This creates an electronic copy of the data taken when the malfunction occurred. The information is then stored on the scan tool for later reference.
- Determine if fault is present. Review Freeze Frame data to determine when the DTC set. Always record this information.
DTC P0463 - Fuel Level Sensor Circuit High Voltage
| Step | Action | Value(s) | Yes | No |
| 1 | Perform an On-Board Diagnostic (EOBD) System Check. Was the check performed? | - | Go to Step 2 | |
| 2 | - Install a scan tool to the Data Link Connector (DLC).
- Start the engine and operate the vehicle within Failure Record condition as noted.
Is Diagnostic trouble Codes (DTCs) P0463 set? | - | Go to Step 3 | |
| 3 | - Turn the ignition OFF.
- Disconnect the fuel pump connector.
- Turn the ignition ON.
- Using a voltmeter, measure the fuel level signal voltage at the fuel level sensor connector terminal 1.
Is the voltage within the specified value? | 0.4 - 4.5 V | Go to Step 4 | Go to Step 6 |
| 4 | Check for a proper ground connection at the fuel tank and repair as needed. Is the repair necessary? | - | Go to Step 11 | Go to Step 5 |
| 5 | - Remove the fuel pump from the fuel tank.
- Reconnect the fuel pump connector.
- Turn the ignition ON.
- Monitor the fuel level sensor parameter on the scan tool while moving the fuel sensor float from empty position to full position.
- Repeat procedure 4 several times.
Does the fuel level sensor vale on the scan tool increase and then decrease steadily when the float is moved? | - | | Go to Step 8 |
| 6 | Check for short to voltage in the fuel level sensor circuit and repair as needed. Is the repair necessary? | - | Go to Step 7 | Go to Step 9 |
| 7 | Repair the short to voltage in the fuel level sensor circuit between the fuel level sensor harness connector and fuel level sensor. Is the repair necessary? | - | Go to Step 11 | - |
| 8 | - Turn the ignition OFF.
- Replace the fuel pump assembly.
Is the repair complete? | - | Go to Step 11 | - |
| 9 | - Turn the ignition OFF.
- Connect the fuel pump connector.
- Disconnect the engine Control Module (ECM ) connector.
- Turn the ignition ON.
- Using a digital voltmeter, measure the voltage in the signal circuit at terminal K51.
Is the voltage within the specified value? | 0.4 - 4.5 V | Go to Step 10 | |
| 10 | - Turn the ignition OFF.
- Replace the ECM.
Is the repair complete? | - | Go to Step 11 | - |
| 11 | - Using the scan tool, clear the Diagnostic Trouble Codes (DTCs).
- Start the engine and idle at normal operating temperature.
- Operate the vehicle within the Conditions for setting this DTC as specified in the supporting text.
Does the scan tool indicate that this diagnostic has run and passed? | - | Go to Step 12 | Go to Step 2 |
| 12 | Check if any additional DTCs are set. Are any DTCs displayed that have not been diagnosed? | - | Go to Applicable DTC table | System OK |
 | |  | |
| © Copyright Chevrolet Europe. All rights reserved |